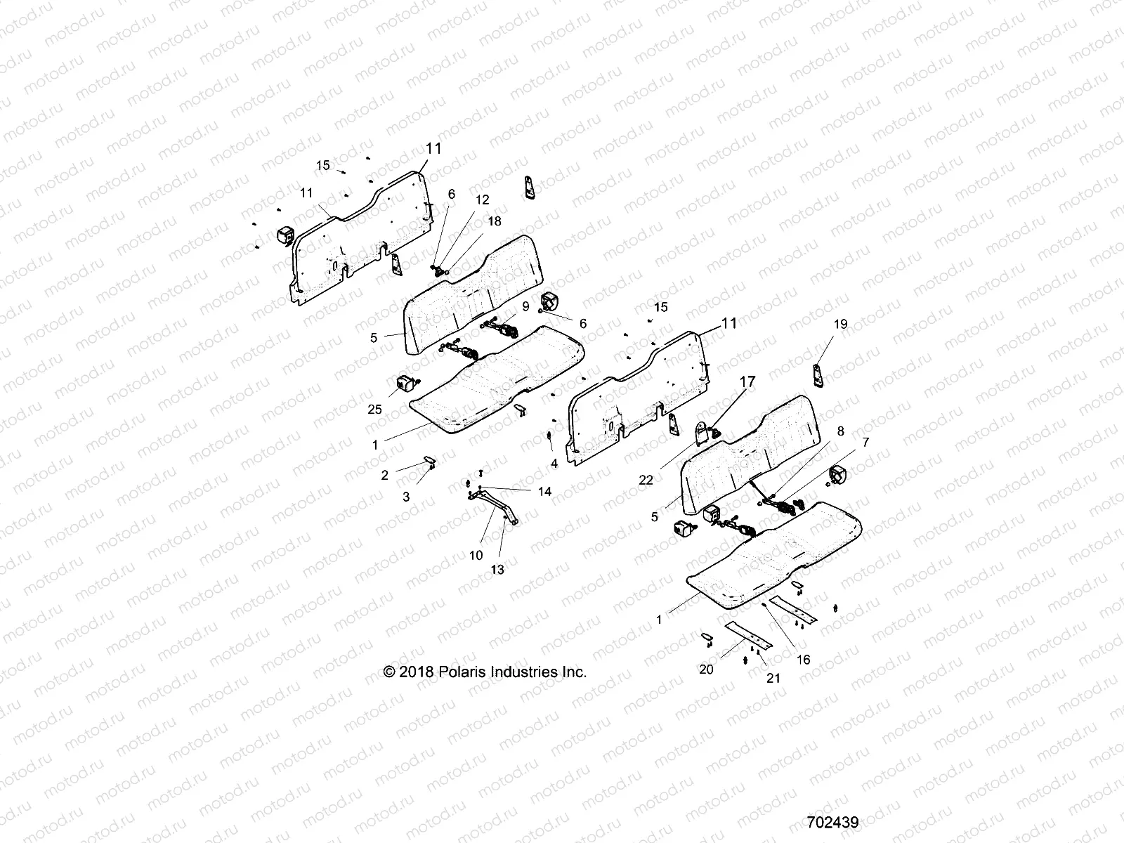
BODY | BODY, SEAT - R22CDA57A1 (702439)

BODY | BODY, SEAT - R22CDA57A1 (702439)
1
2687998-070
ASM-SEAT RNGR BTM BLK
Цена по
запросу
2
5437903
TAB-MOUNT SEAT
Цена по
запросу
3
7621479
RIVET
Цена по
запросу
4
5632536
PIN-SEAT LATCH
Цена по
запросу
5
2688000-070
ASM-SEAT RNGR BACK BLK
Цена по
запросу
6
7547441
NUT-HXFL M12X1.75 NYLOC ZOD
Цена по
запросу
7
2635933
BUCKLE-SEATBELT 180 SWITCH
Цена по
запросу
8
7519730
SCR-HXFL-M12X1.75X40 8.8 ZOD
Цена по
запросу
9
2635104
BUCKLE-SEATBELT CABLE
Цена по
запросу
10
5255263-329
BRKT-SEAT SUPPORT CENTER BLK
Цена по
запросу
11
5452663-070
COVER-SEAT BACK 3P FS BLK
Цена по
запросу
12
2635051
ASM-SEAT BELT 3PT CENTER
Цена по
запросу
13
7518280
SCR-1/4-20X.75 TR/TX-M
Цена по
запросу
14
7661855
RIVET-TUFLOK .315-.325X.787 (5
Цена по
запросу
15
7519274
SCR-TXPH-#14X3/4 HI/LO RIE
Цена по
запросу
16
7081808
STRAP-CABLE TIE W/EDGE CLIP
Цена по
запросу
17
7540000
NUT-NYLOK M12X1.5 0600110
Цена по
запросу
18
5455285
CAP-BOLT HEAD
Цена по
запросу
19
2635049
ASM-SEAT BELT 3PT
Цена по
запросу
20
5253488-329
BRKT-SUPPORT SEAT BASE BLK
Цена по
запросу
21
7518158
SCR-#14X1 HI/LO-PH-PN TRX-M
Цена по
запросу
22
5415020
COVER-SEAT BELT MOUNT
Цена по
запросу

Узлы для