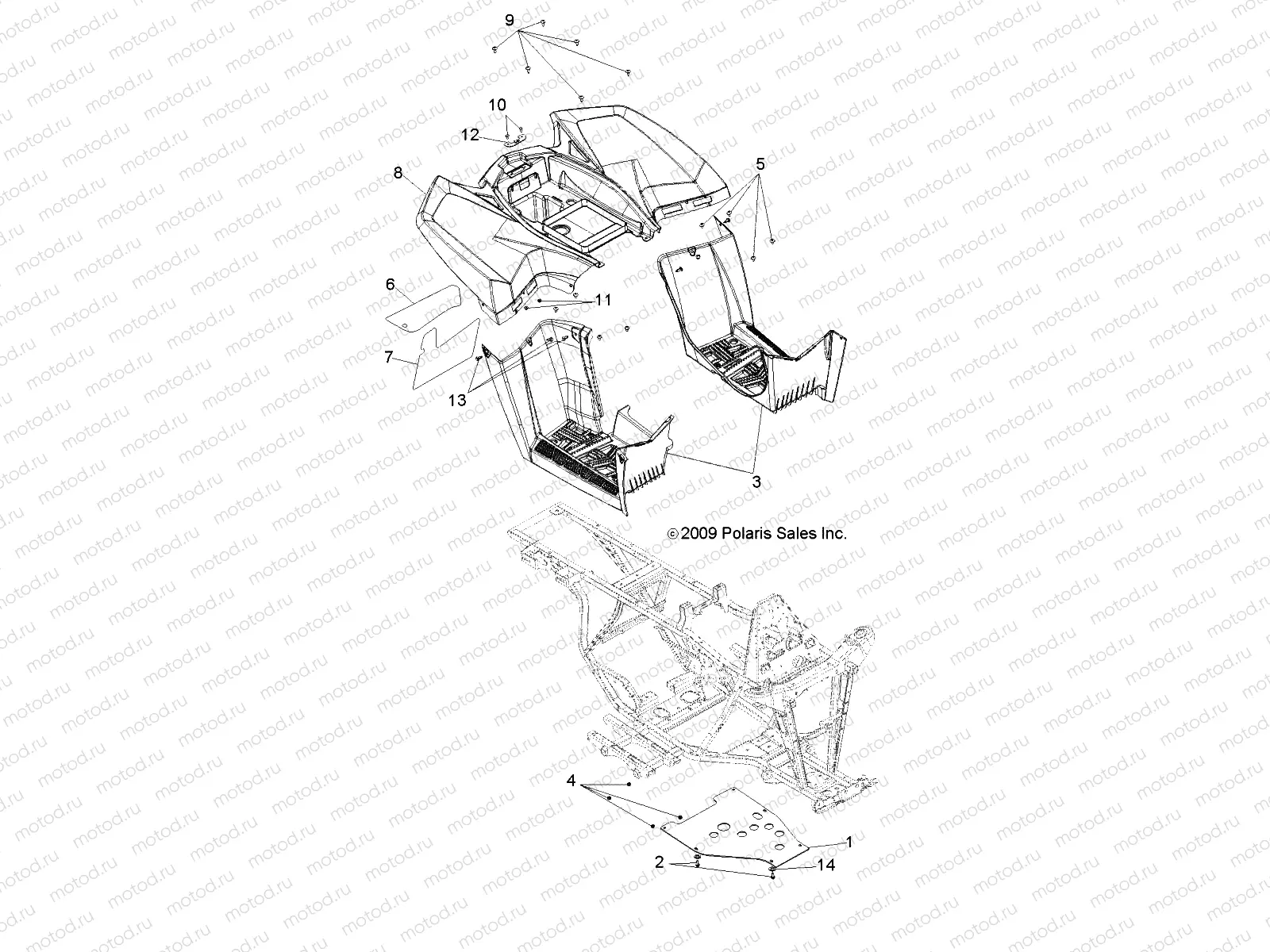
BODY | BODY, REAR CAB and FOOTWELLS - A11EA32FA (49ATVCABRR10BOSSI)

BODY | BODY, REAR CAB and FOOTWELLS - A11EA32FA (49ATVCABRR10BOSSI)
1
5432763
GUARD ROCK
Цена по
запросу
2
7512232
Vis
Цена по
запросу
3
5437915-070
FOOTWELL-RH BLACK
Цена по
запросу
3
5437914-070
FOOTWELL-LH BLACK
Цена по
запросу
4
7542122
NUT-NYLOK
Цена по
запросу
5
7517230
Vis
Цена по
запросу
6
5813555
FOIL-REAR CAB
Цена по
запросу
7
5813556
FOIL-RH FOOTWELL
Цена по
запросу
8
5437894-293
CAB-REAR I.RED
Цена по
запросу
9
7518280
SCR-1/4-20X.75 TR/TX-M
Цена по
запросу
10
7518281
SCR-10-24X5/8 TORX TH MS STL Y
Цена по
запросу
11
7518287
NUT-#10-24 NYLOK INSERT
Цена по
запросу
12
5253308
PLATE-SEAT LATCH
Цена по
запросу
13
7661855
RIVET-TUFLOK .315-.325X.787 (5
Цена по
запросу
14
7555859
WASHER FLAT
Цена по
запросу

Узлы для