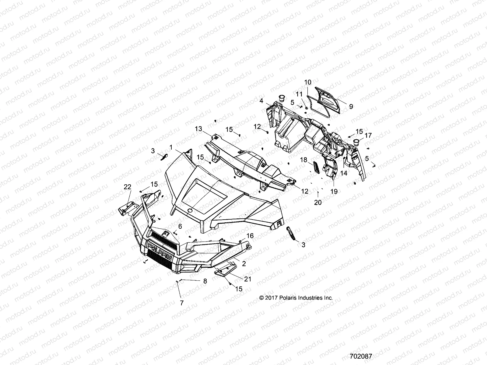
BODY | BODY, HOOD, DASH ,GRILL and FRONT FENDERS - R21MAA57F1/F9/SF1/F9/C1/C9/CK (702087)

BODY | BODY, HOOD, DASH ,GRILL and FRONT FENDERS - R21MAA57F1/F9/SF1/F9/C1/C9/CK (702087)
1
5451347-666
HOOD-BASIC PAINTED BLACK PEARL
Цена по
запросу
1
5451352-587
HOOD-BASIC DIP PPC
Цена по
запросу
1
5451006-498
HOOD-BASIC SAFEBRUSH GRN
Цена по
запросу
2
5452217-070
FASCIA-FRONT. RANGER. EU. BLK
Цена по
запросу
2
5453514-070
FASCIA-FRONT.RANGER.TR.BLK
Цена по
запросу
3
5415295
STRAP-RETAINER HOOD
Цена по
запросу
4
LR--
CALIPER, BRAKE, RH
Цена по
запросу
4
2208017
K- DASH, PNL, LWR, RGR INTL [INCL DECAL]
Цена по
запросу
5
7519650
SCR-TXTH-M6X1.0X25 RIE
Цена по
запросу
6
7519045
SCR-TX TRUSS-#14X3/4 HI/LO ZBK
Цена по
запросу
7
7661843
PIN-CLEVIS 1/4 X 3/4 -Y
Цена по
запросу
8
7662139
PIN-HITCH 1/16-Y
Цена по
запросу
9
5451007-070
COVER-GLOVEBOX BLK
Цена по
запросу
10
5522052
SEAL-GLOVEBOX
Цена по
запросу
11
5412504
GROMMET-RUBBER MOUNT 25
Цена по
запросу
12
7547674
NUT-M6-1.0 U-TYPE (2.5-3.8)(10
Цена по
запросу
13
9990000
Suspension, Rear
Цена по
запросу
13
2207397
K-DASH,PNL,UPR,RGR 570 MD [INCL DECAL]
Цена по
запросу
13
LR--
CALIPER, BRAKE, RH
Цена по
запросу
14
7519806
CLIP-DASH TRIM METAL
Цена по
запросу
15
7661855
RIVET-TUFLOK .315-.325X.787 (5
Цена по
запросу
16
7710820
NUT-7/16 PUSHNUT
Цена по
запросу
17
5436836
HOLDER-CUP
Цена по
запросу
18
5414249
GROMMET-SHIFT LEVER
Цена по
запросу
19
5415087
GROMMET-STEERING
Цена по
запросу
20
7670154
RETAINER-BOLT 1/4-20
Цена по
запросу
21
5453357-070
FENDER-FRONT MUD.LH.BLK
Цена по
запросу
22
5453358-070
FENDER-FRONT MUD.RH.BLK
Цена по
запросу

Узлы для