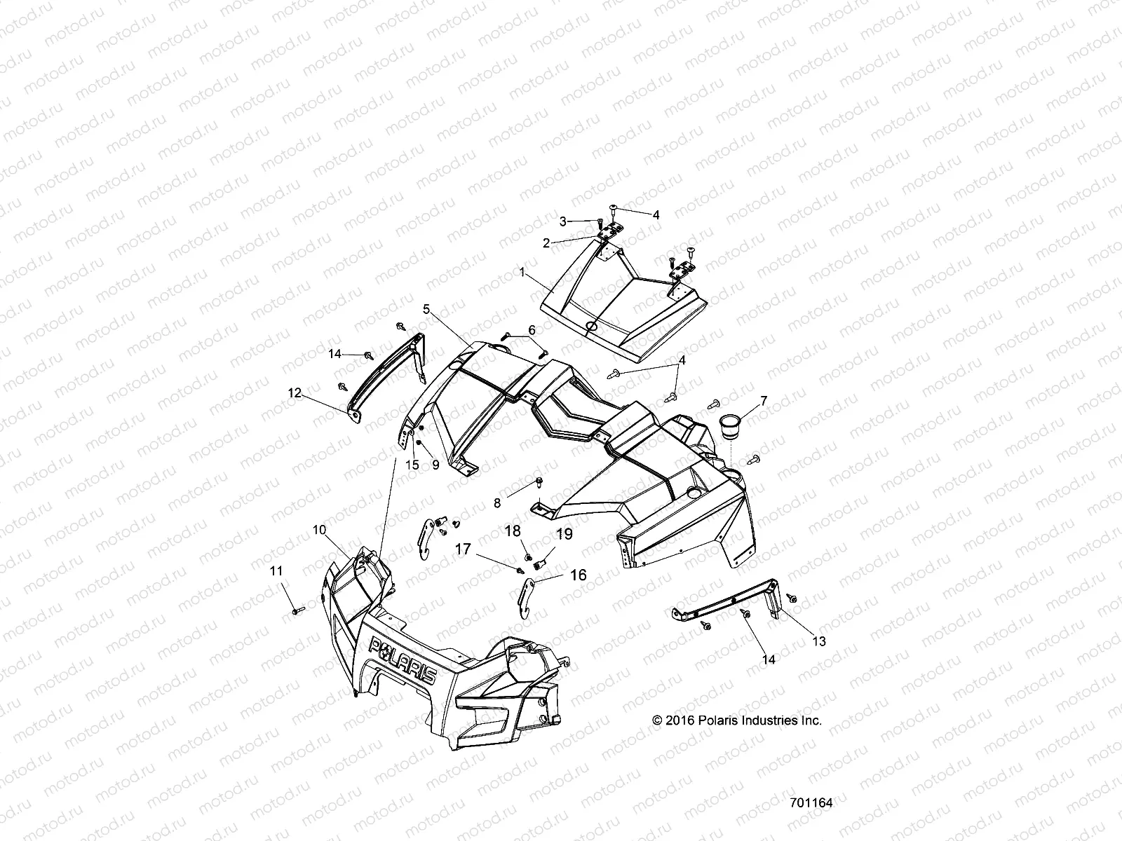
BODY | BODY, HOOD and FRONT FASCIA - R20CCA57A1/A7 (701164)

BODY | BODY, HOOD and FRONT FASCIA - R20CCA57A1/A7 (701164)
1
5438256-498
HOOD-CTR ACCESS RNGR SGEBRSH M
Цена по
запросу
2
5437902
ASM-HINGE
Цена по
запросу
3
7518158
SCR-#14X1 HI/LO-PH-PN TRX-M
Цена по
запросу
4
7517685
Vis
Цена по
запросу
5
LR--
CALIPER, BRAKE, RH
Цена по
запросу
6
7512026
Vis
Цена по
запросу
7
5436836
HOLDER-CUP
Цена по
запросу
8
7518555
BOLT-M8X1.25X20 HXFLG TAP/R-OD
Цена по
запросу
9
7547453
NUT-HXFL-M6X1.0 8 ZB3 NYL
Цена по
запросу
10
5437575-070
FASCIA-FRONT RANGER BLK
Цена по
запросу
11
7520292
BOLT-M6X1.0X35 HXFLG ZPB
Цена по
запросу
12
5437569-070
FENDER-FRONT W/FLARE RH BLK
Цена по
запросу
13
5437568-070
FENDER-FRONT W/FLARE LH BLK
Цена по
запросу
14
7661855
RIVET-TUFLOK .315-.325X.787 (5
Цена по
запросу
15
7555935
Rondelle
Цена по
запросу
16
5262056
BRKT-HEADLIGHT
Цена по
запросу
17
7519045
SCR-TX TRUSS-#14X3/4 HI/LO ZBK
Цена по
запросу
18
7670088
CLIP PLASTIC DART NYLON
Цена по
запросу
19
7670145
NUT-1/4-20 U-TYPE(1.56-.190)(1
Цена по
запросу

Узлы для