BODY | BODY, FUEL TANK - Z18VFE99BK/BJ/BW/K99BK (702021)

BODY | BODY, FUEL TANK - Z18VFE99BK/BJ/BW/K99BK (702021)
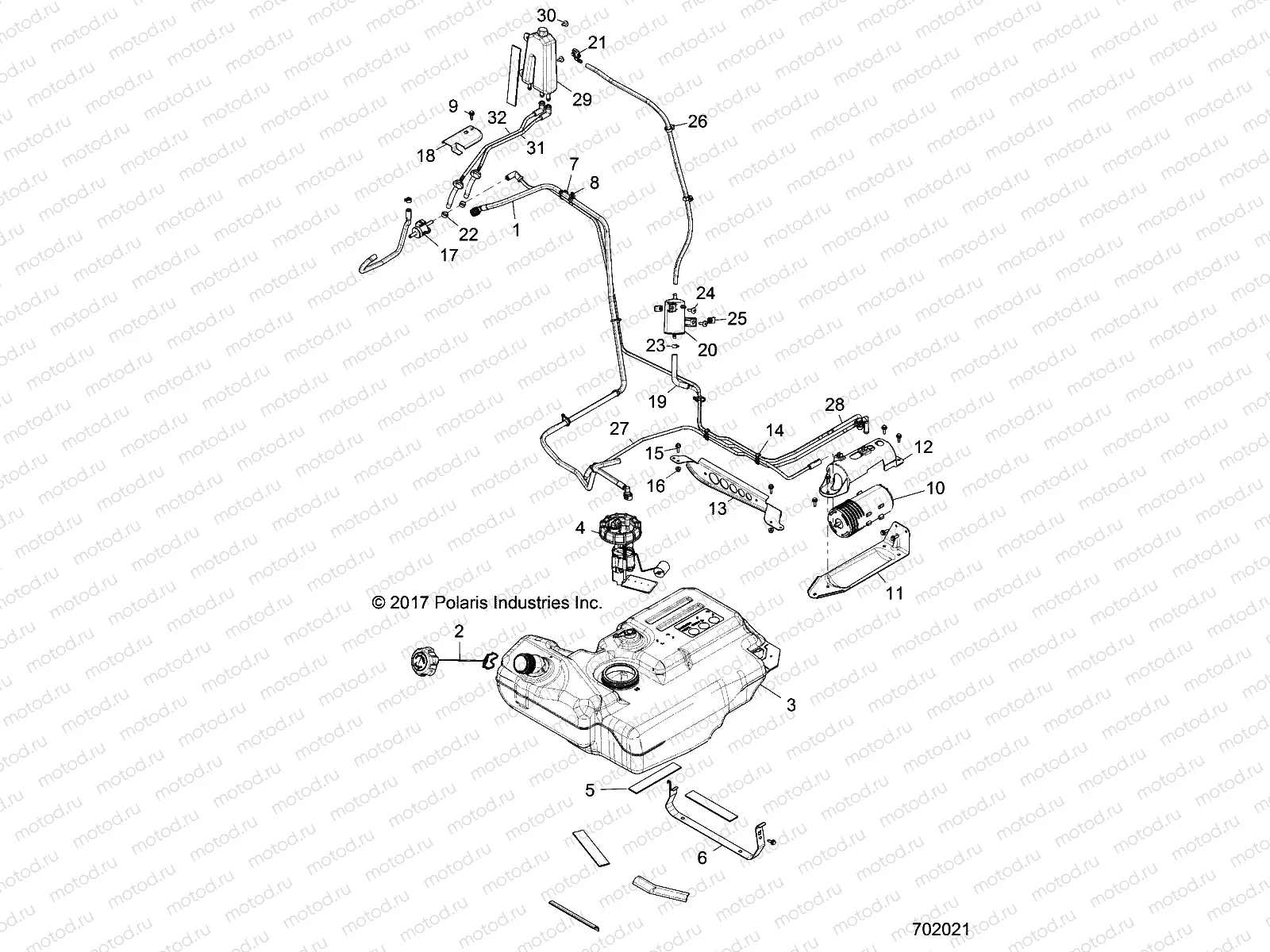
1
2521837
ASM-FUEL LINE
Цена по
запросу
2
2521910
CAP-GAS TANK,TETHER
Цена по
запросу
3
2522377
ASM-FUEL TANK MIOP
Цена по
запросу
4
2208591
K-FUEL PUMP
Цена по
запросу
5
5810290
PAD BATTERY
Цена по
запросу
6
5259555-329
STRAP-FUEL TANK BLK
Цена по
запросу
7
7080761
CABLE TIE 14
Цена по
запросу
8
7081496
CLIP-ROUTING
Цена по
запросу
9
7518529
SCR-M6X1.0X20 HXHD FLG TDFM BL
Цена по
запросу
10
2521893
CANISTER-ACTIVATED CARBON BFL
Цена по
запросу
11
5263210-329
BRKT-MNT CANISTER E-COAT
Цена по
запросу
12
5453458-070
BRKT-MNT CANISTER BLK
Цена по
запросу
13
5263305-329
BRKT-MOUNT RACK ECOAT
Цена по
запросу
14
7082246
CLIP-TRIPLE
Цена по
запросу
15
7520122
SCR-HXFL-M6X1.0X20 8.8 ZPB
Цена по
запросу
16
7547339
NUT-M6X1.0 FLG-NYLOC-OLIVE D
Цена по
запросу
17
2521758
VALVE-PURGE
Цена по
запросу
18
5264552-329
BRKT-MNT PURGE VALVE ECOAT
Цена по
запросу
19
2521716
ASM-LINE VENT TO CANISTER
Цена по
запросу
20
2521750
FILTER-CANISTER VENT
Цена по
запросу
21
5453464
FITTING-VENT LINE 90
Цена по
запросу
22
7080003
CLAMP HOSE
Цена по
запросу
23
7081432
CLAMP-HOSE 17/32 GREEN
Цена по
запросу
24
7519650
SCR-TXTH-M6X1.0X25 RIE
Цена по
запросу
25
7547674
NUT-M6-1.0 U-TYPE (2.5-3.8)(10
Цена по
запросу
26
7670116
CLIP ROUTING .472 B.D. HINGED
Цена по
запросу
27
2521715
ASM-LINE TANK TO CANISTER
Цена по
запросу
28
2521851
ASM-LINE CANISTER TO PURGE
Цена по
запросу
29
5454286
TANK-EXPANSION
Цена по
запросу
30
7518936
SCR-M6X1X16 TR/TX-M
Цена по
запросу
31
2521848
ASM-HOSE CHAMBER TO TB PTO
Цена по
запросу
32
2521849
ASM-HOSE CHAMBER TO TB MAG
Цена по
запросу

Узлы для