BODY | BODY, FUEL TANK - Z15VCE87AT/AV (49RGRFUEL15RZR900)

BODY | BODY, FUEL TANK - Z15VCE87AT/AV (49RGRFUEL15RZR900)
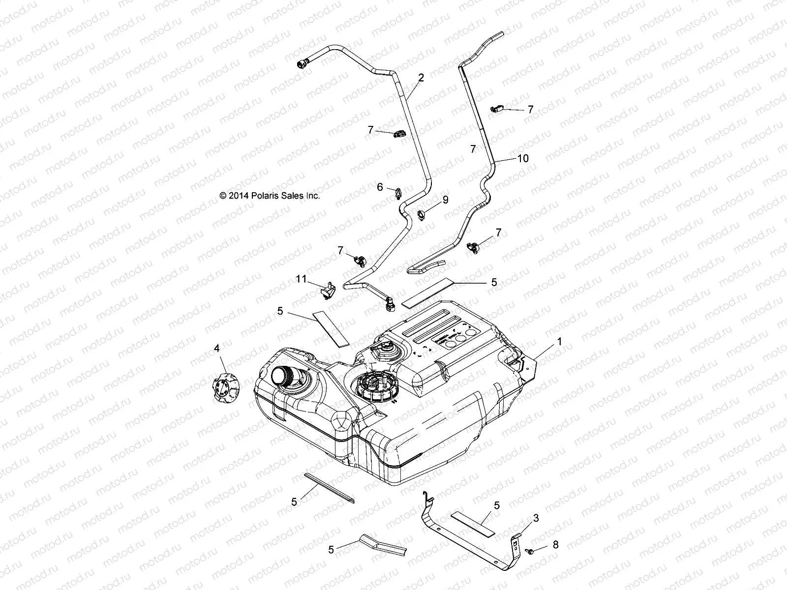
1
2522377
ASM-FUEL TANK MIOP
Цена по
запросу
1
2208591
K-FUEL PUMP
Цена по
запросу
2
2521417
ASM-FUEL LINE
Цена по
запросу
3
5259555-329
STRAP-FUEL TANK BLK
Цена по
запросу
4
5439075
Fuel cap
Цена по
запросу
5
5810290
PAD BATTERY
Цена по
запросу
6
7081496
CLIP-ROUTING
Цена по
запросу
7
7081871
CLIP-HARNESS 3-13MM INTERLCK
Цена по
запросу
8
7518529
SCR-M6X1.0X20 HXHD FLG TDFM BL
Цена по
запросу
9
7670116
CLIP ROUTING .472 B.D. HINGED
Цена по
запросу
10
8450040-187
LINE, VENT
Цена по
запросу
11
7670109
CLIP-ROUTING
Цена по
запросу

Узлы для