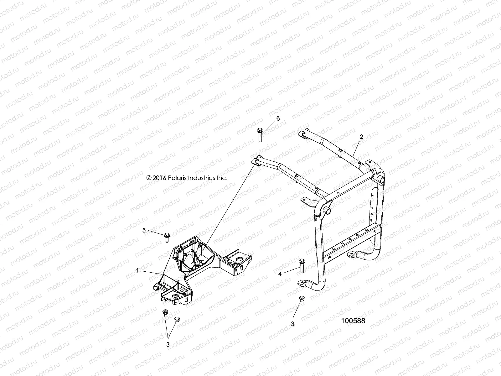
BODY | BODY, FRONT BUMPER SUPPORT - A19SXN85A8

BODY | BODY, FRONT BUMPER SUPPORT - A19SXN85A8
1
5632354
BULKHEAD-CAST
Цена по
запросу
2
1021182-329
WELD-FRONT RACK SUPPORT BLK
Цена по
запросу
3
7547317
NUT-M8X1.25 HXFLG NYLON INS
Цена по
запросу
4
7518816
BOLT-M8X1.25X65 HXFLG
Цена по
запросу
5
7518450
BOLT-M8X20-1.25 HX HD FLG
Цена по
запросу
6
7517281
Vis
Цена по
запросу

Узлы для