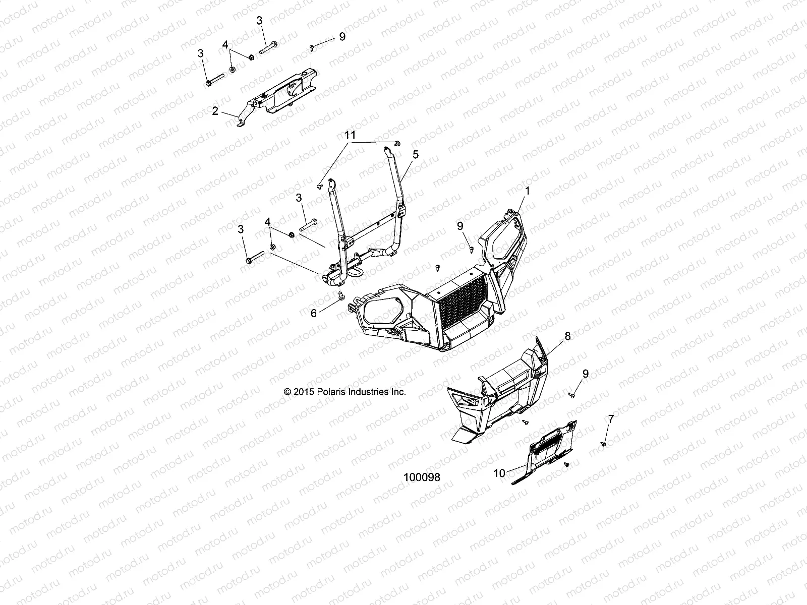
BODY | BODY, FRONT BUMPER and MOUNTING - A18SDA57B7/L7/E57B5/D57LU

BODY | BODY, FRONT BUMPER and MOUNTING - A18SDA57B7/L7/E57B5/D57LU
1
5438559-070
BUMPER-FRONT FASCIA BLK
Цена по
запросу
2
5259852
BRKT-RADIATOR UPPER
Цена по
запросу
3
7518341
BOLT-5/16-18X1-3/4 HXFLNG GR5
Цена по
запросу
4
7542343
NUT FLANGE
Цена по
запросу
5
1020923-067
WELD-BUMPER FRONT BLK
Цена по
запросу
5
1020923-458
WELD-BUMPER FRONT M.BLK
Цена по
запросу
6
7515399
Vis
Цена по
запросу
7
7661855
RIVET-TUFLOK .315-.325X.787 (5
Цена по
запросу
8
5451442-070
COVER-FRONT LOWER BLK
Цена по
запросу
9
7517685
Vis
Цена по
запросу
10
5451441-070
COVER-WINCH BLK
Цена по
запросу
11
7519092
SCR-TXTH-M6X1.0X15 ZPB TAP
Цена по
запросу

Узлы для