BODY | BODY, FLOOR and ROCKER PANELS - Z18VEL92BK/BR/LK (700434)

BODY | BODY, FLOOR and ROCKER PANELS - Z18VEL92BK/BR/LK (700434)
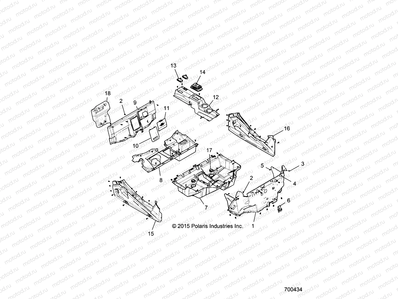
1
2636842-070
ASM-FIREWALL MAIN ROUTERED BLK
Цена по
запросу
2
7519650
SCR-TXTH-M6X1.0X25 RIE
Цена по
запросу
3
7547674
NUT-M6-1.0 U-TYPE (2.5-3.8)(10
Цена по
запросу
4
7518196
SCR-10-24X3/4 PH/TX/TRI-SEMS Y
Цена по
запросу
5
7661855
RIVET-TUFLOK .315-.325X.787 (5
Цена по
запросу
6
5416459
BOOT-STEERING
Цена по
запросу
7
2637566-070
ASM-FLOOR MAIN BLK
Цена по
запросу
7
2637566-070
ASM-FLOOR MAIN BLK
Цена по
запросу
8
5439770-070
PANEL-REAR CLOSEOFF LWR BLK
Цена по
запросу
9
5454120
PANEL-REAR CLOSEOFF UPR
Цена по
запросу
10
5454122
PANEL-ACCESS ENGINE
Цена по
запросу
11
5454123
COVER-ECU
Цена по
запросу
12
2637324-070
ASM-CONSOLE WARNDECAL MD BLK
Цена по
запросу
12
2637015-070
ASM-CONSOLE WARNDECAL BLK
Цена по
запросу
13
5453118-070
BOOT-SEAT BELT SLOT BLK
Цена по
запросу
14
5415700
BOOT-SHIFTER
Цена по
запросу
15
5451448-070
ROCKER RH BLK
Цена по
запросу
16
5451447-070
ROCKER LH BLK
Цена по
запросу
17
5414694
PLUG-DRAIN FLOOR
Цена по
запросу
18
5814283
SHIELD-REAR CLOSEOFF
Цена по
запросу

Узлы для