BODY | BODY, FLOOR and FENDERS - R17RMA57A1/A9/E57AK (700890)

BODY | BODY, FLOOR and FENDERS - R17RMA57A1/A9/E57AK (700890)
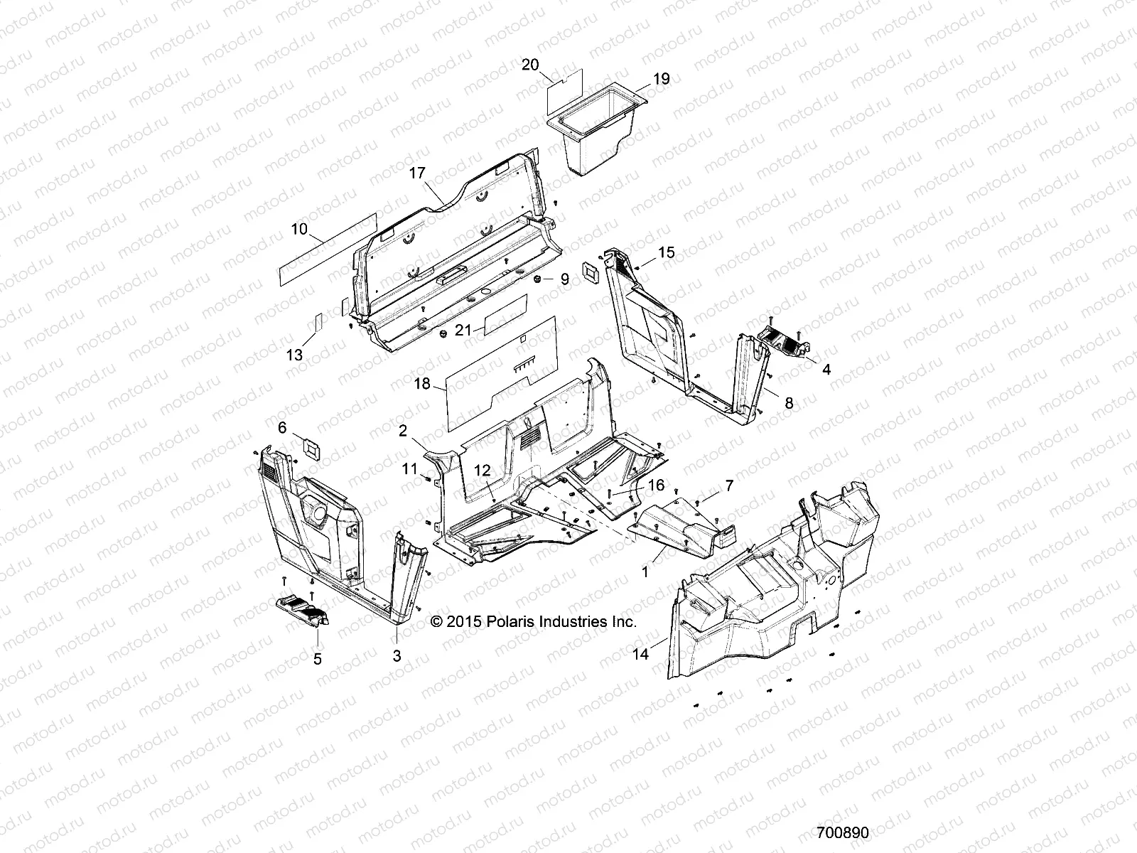
1
5457841-070
COVER-DRIVE SHAFT FLOOR
Цена по
запросу
2
5451452-070
FLOOR-REAR BLK
Цена по
запросу
3
5451012-070
FENDER-REAR W/ROCKER RH BLK
Цена по
запросу
4
5451130-070
FLOOR-LH BLK
Цена по
запросу
5
5451131-070
FLOOR-RH BLK
Цена по
запросу
6
5814175
SEAL-FOAM INTAKE
Цена по
запросу
7
7519650
SCR-TXTH-M6X1.0X25 RIE
Цена по
запросу
8
5451011-070
FENDER-REAR W/ROCKER LH BLK
Цена по
запросу
9
5439179
Damper
Цена по
запросу
11
7081305
CLIP-U SPEED NUT
Цена по
запросу
12
7080398
PLUG HOLE
Цена по
запросу
13
5814316
FOIL-HEAT SHIELD CORNERS
Цена по
запросу
14
5451010-070
FLOOR-FRONT BLK
Цена по
запросу
15
7661855
RIVET-TUFLOK .315-.325X.787 (5
Цена по
запросу
16
7519722
SCR-TXTH-M6X1.0X45 RIE
Цена по
запросу
17
2206622
K-PANEL-CLOSEOFF MY17
Цена по
запросу
18
5814297
FOIL-FLOOR BACK
Цена по
запросу
19
5451223
BOX-STORAGE
Цена по
запросу
20
5813854
FOIL-HEAT SHIELD
Цена по
запросу
21
5814413
FOIL-HEAT SHIELD
Цена по
запросу

Узлы для