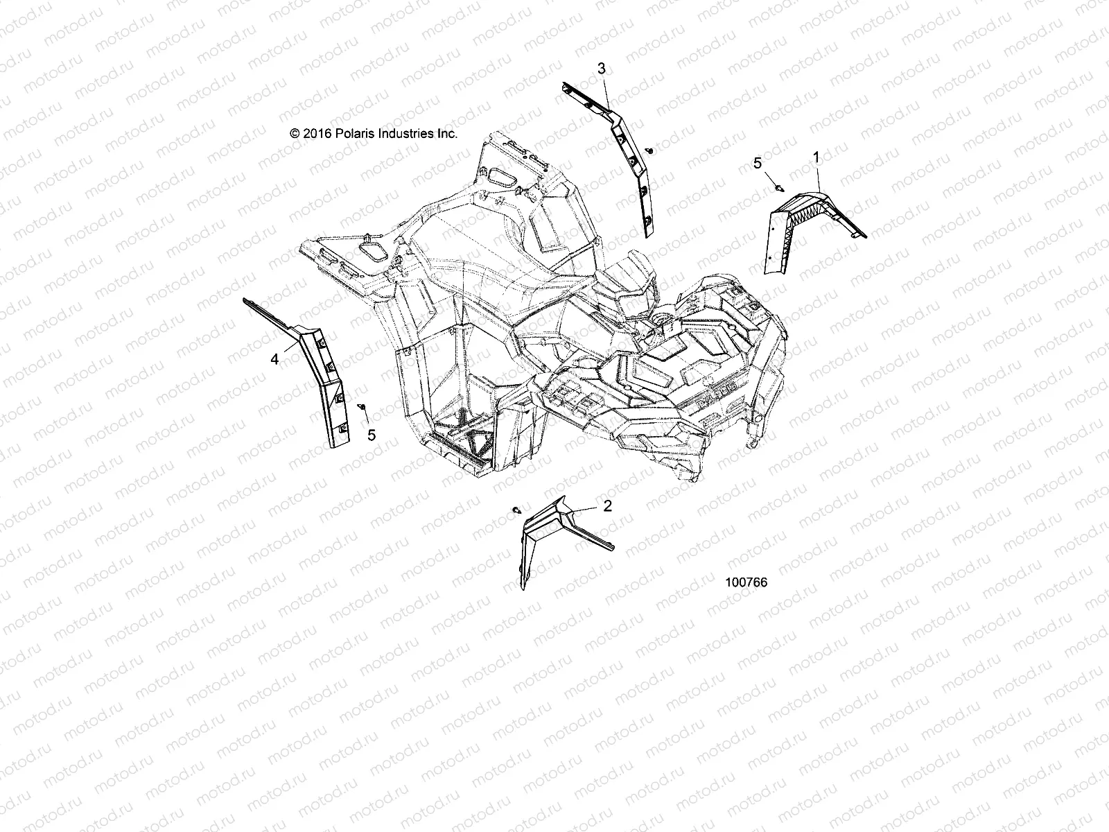
BODY | BODY, FENDER FLARES - A19SXE95FR (100766)

BODY | BODY, FENDER FLARES - A19SXE95FR (100766)
1
5452940-070
FLARE-FRONT LH BLK
Цена по
запросу
2
5452941-070
FLARE-FRONT RH BLK
Цена по
запросу
3
5452942-070
FLARE-REAR LH BLK
Цена по
запросу
4
5452943-070
FLARE-REAR RH BLK
Цена по
запросу
5
7661855
RIVET-TUFLOK .315-.325X.787 (5
Цена по
запросу
5
7512095
Vis
Цена по
запросу

Узлы для