BODY | BODY, BOX, TAILGATE - G21GXJ99AJ/AZ/BJ/BZ (700795)

BODY | BODY, BOX, TAILGATE - G21GXJ99AJ/AZ/BJ/BZ (700795)
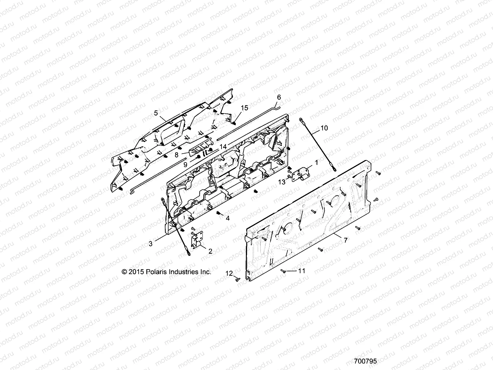
1
1021447-067
WELD-TAILGATE PIVOT LH BLK
Цена по
запросу
1
1026578-067
WELD-TAILGATE PIVOT LH BLK
Цена по
запросу
2
1021448-067
WELD-TAILGATE PIVOT RH BLK
Цена по
запросу
3
2636459-070
ASM-PNL TAILG OTR CLIP BLK
Цена по
запросу
4
7519806
CLIP-DASH TRIM METAL
Цена по
запросу
5
2636174-686
ASM-PNL TRIM CLIP PNT M.TAN
Цена по
запросу
5
2636174-509
ASM-PNL TRIM CLIP PNT S.GRAPH
Цена по
запросу
6
5142485
ROD-TAILGATE
Цена по
запросу
7
5452174-070
PANEL-TAILGATE INNER BLK
Цена по
запросу
8
5452249-070
HANDLE-TAILGATE LATCH BLK
Цена по
запросу
9
7045562
SPRING-LATCH TAILGATE
Цена по
запросу
10
7082076
CABLE-TAILGATE
Цена по
запросу
11
7518158
SCR-#14X1 HI/LO-PH-PN TRX-M
Цена по
запросу
12
7519650
SCR-TXTH-M6X1.0X25 RIE
Цена по
запросу
13
7519731
SCR-TXPH-#14 X .75 HI-LO RIE
Цена по
запросу
14
7045395
SPRING-LATCH TAILGATE
Цена по
запросу
15
7670136
CLIP-TINNERMAN D98640-051M
Цена по
запросу

Узлы для