BODY | BODY, BOX, REAR - A23SWE57F1/S57C1/C2 (C102442)

BODY | BODY, BOX, REAR - A23SWE57F1/S57C1/C2 (C102442)
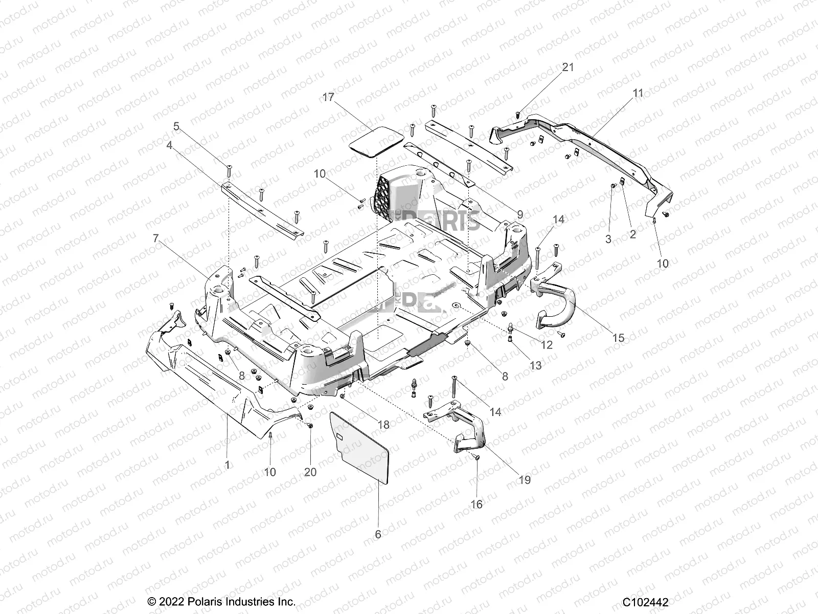
1
5450716-498
FENDER-REAR BOX RH S.GREEN
Цена по
запросу
1
5450716-599
FENDER-REAR BOX RH WHT LTNG
Цена по
запросу
2
7670057
NUT SPEED
Цена по
запросу
3
7517386
Vis
Цена по
запросу
4
5434803-070
TIEDOWN-SIDE BLK
Цена по
запросу
5
7518235
SCR-5/16-18X1.75 TX-M
Цена по
запросу
6
5814820
SHIELD-HEAT X2 BOX
Цена по
запросу
7
5450946-070
BOX-REAR BASE BLK
Цена по
запросу
8
7542343
NUT FLANGE
Цена по
запросу
9
5248471-458
CHANNEL-REAR RACK FRT MAT BLK
Цена по
запросу
10
7518238
SCR-10X5/8-HI/LO PN-T25 TRX-M
Цена по
запросу
11
5450715-498
FENDER-REAR BOX LH S.GREEN
Цена по
запросу
11
5450715-599
FENDER-REAR BOX LH WHT LTNG
Цена по
запросу
12
5910284
PIN-SEAT LATCH
Цена по
запросу
13
7542143
INSERT
Цена по
запросу
14
7518215
SCR-5/16-18X3.25 TX-M
Цена по
запросу
15
5436491-070
HANDLE-PASSENGER LH BLK
Цена по
запросу
16
7517685
Vis
Цена по
запросу
17
5413002
PLUG-DRAIN BOX
Цена по
запросу
18
7542153
NUT NYLOK FLANGED
Цена по
запросу
19
5436492-070
HANDLE-PASSENGER RH BLK
Цена по
запросу
20
7661855
RIVET-TUFLOK .315-.325X.787 (5
Цена по
запросу
21
7670101
CLIP X-MAS TREE
Цена по
запросу

Узлы для