BODY | BODY, BOX, MOUNTING - R19RGE99F2/FF/SC2/SFF/PCF/PFF (700794)

BODY | BODY, BOX, MOUNTING - R19RGE99F2/FF/SC2/SFF/PCF/PFF (700794)
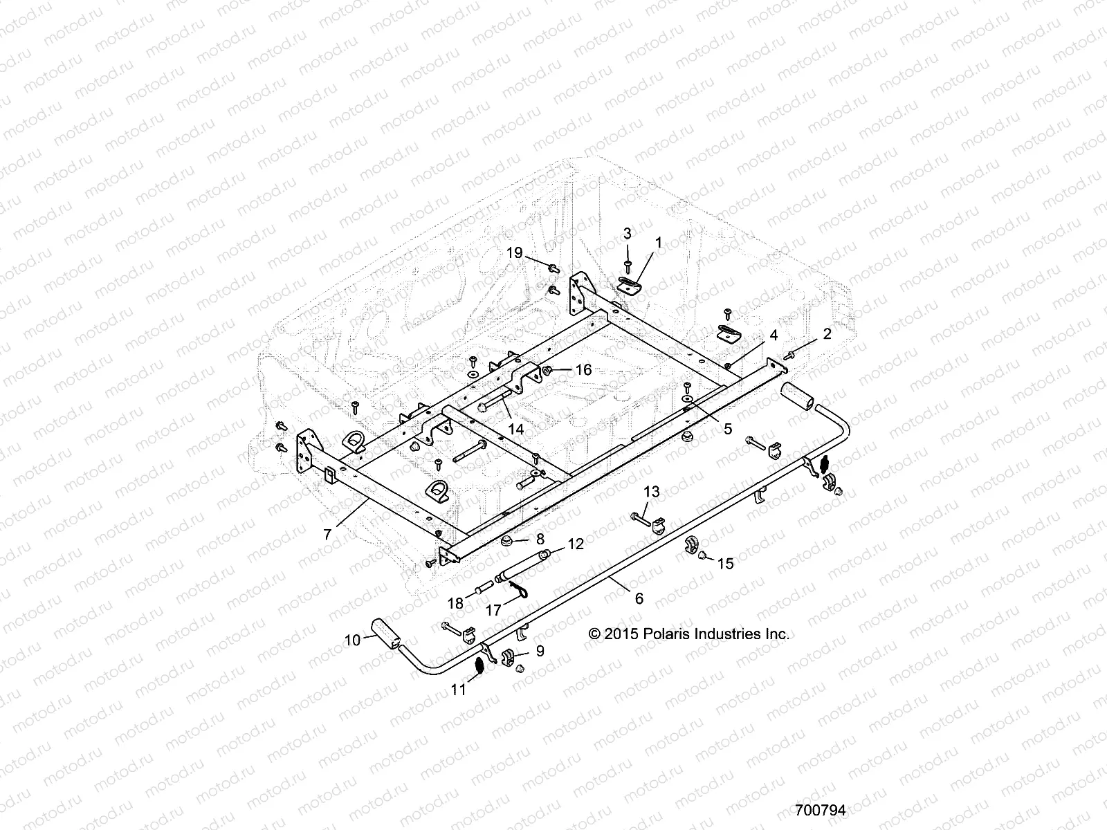
1
5268226
BRKT-TIEDOWN BOX
Цена по
запросу
1
5268226
BRKT-TIEDOWN BOX
Цена по
запросу
2
7519650
SCR-TXTH-M6X1.0X25 RIE
Цена по
запросу
3
7520411
SCR-TXTH-M6X1.0X30 RIE
Цена по
запросу
4
7547339
NUT-M6X1.0 FLG-NYLOC-OLIVE D
Цена по
запросу
5
7556329
WASHER-.281X1.00X.051
Цена по
запросу
6
1022532-458
WELD-BOX LATCH BLK
Цена по
запросу
7
1021375-329
WELD-BOX SUPPORT BLK
Цена по
запросу
8
5412067
BUMPER-RUBBER (.31) SHORT
Цена по
запросу
9
5434226
BUSHING-BOX LATCH
Цена по
запросу
10
5450278
HANDLE-BOX LATCH
Цена по
запросу
11
7041687
Spring
Цена по
запросу
12
7045302
SHOCK-BOX DUMP
Цена по
запросу
13
7517793
SCR-M8X1.25X50 HX/FL-Y
Цена по
запросу
14
7519043
SCR-HXFL-M10X1.25X95 10.9 ZOD(
Цена по
запросу
15
7547317
NUT-M8X1.25 HXFLG NYLON INS
Цена по
запросу
16
7547333
NUT-M10X1.25 FLG NYLOC-OLIVE D
Цена по
запросу
17
7661067
CLIP-HITCHPIN .148X3 1/16
Цена по
запросу
18
7661878
PIN-CLEVIS 1/2 X 1 3/4
Цена по
запросу
19
7519780
SCR-HWH-M8X1.25X20 TAP/R ZPB
Цена по
запросу

Узлы для