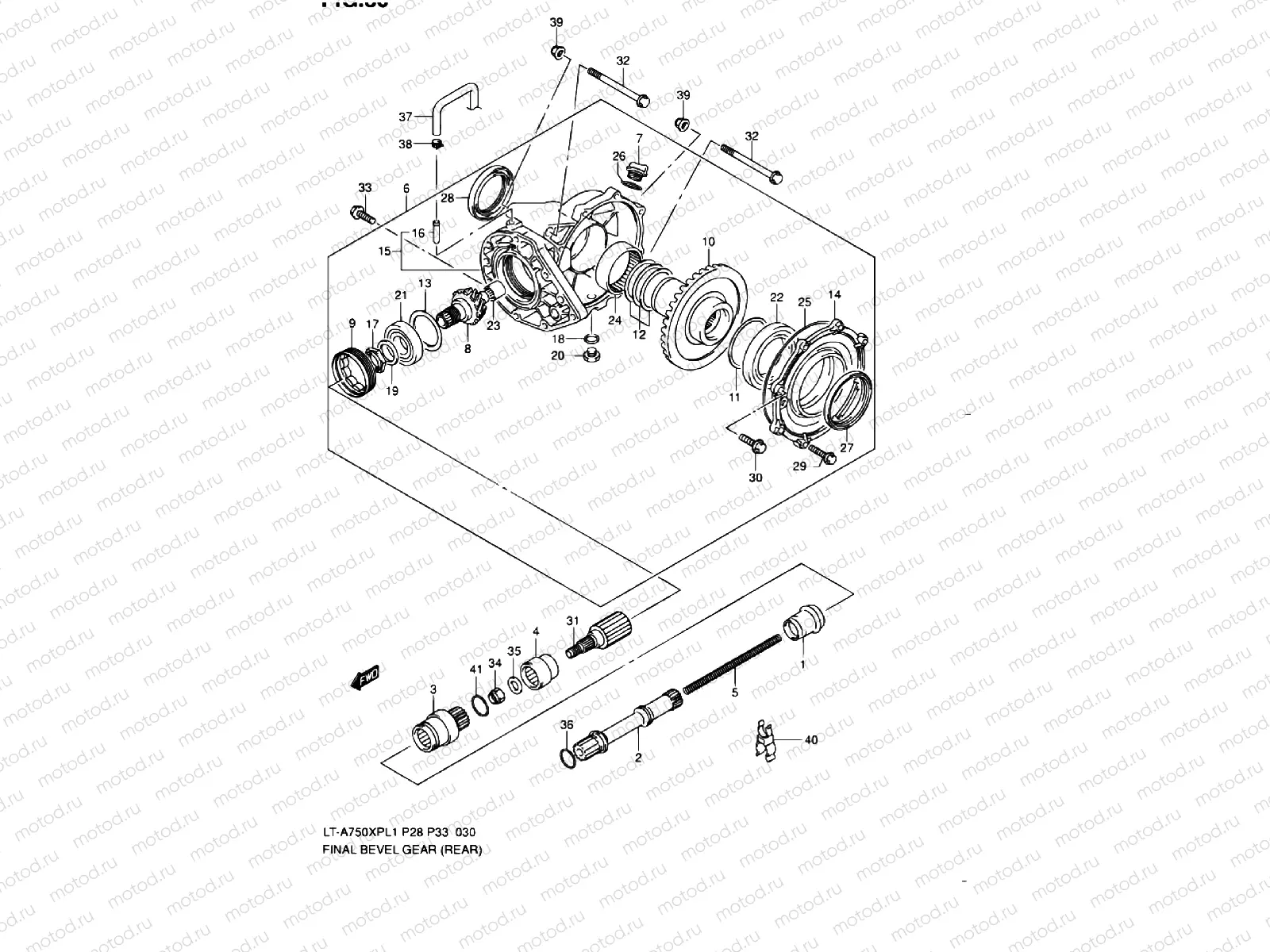
BEVEL GEAR (REAR)

BEVEL GEAR (REAR)
1
27153-31G41
Boot,joint shaf
1
27153-31G41
Boot,joint shaf
2
27155-31G30
Shaft,rear prop
3
27157-31G60
Joint,rear prop
4
27171-31G60
Coupling,rear o
5
27192-31G10
Spring,rear pro
6
27410-31G50
Case assy,rear
7
09259-20008-XC0
ШЛАНГ
663 ₽
8
27311-31G50
ear,rr final d
9
27312-38F00
Stopper,final d
10
27320-31G00
ear,rr final d
11
27326-31810
Shim set
12
27327-31810
Shim set
13
27445-24810
SHIM SET,FINAL DRIVE GEAR
1 412 ₽
14
27451-31G10
Case,rear final
15
27460-31G10
Case,rear final
16
09364-08016
Болт соединяющий
3 210 ₽
17
09140-28006
Nut
18
09168-14004
Прокладка
129 ₽
19
09181-28195
Шайба
2 310 ₽
20
09247-14013
Заглушка масляного дренажа
221 ₽
21
09262-28023
ПОДШИПНИК
5 411 ₽
22
09262-65001
Bearing,65x100x
23
09263-20062
BEARING(20X34X18)
2 020 ₽
24
09263-55003
Bearing,55x67x2
25
09280-00046
O-Ring (d:2.45.i)
26
09280-17003
КОЛЬЦО УПЛОТНИТЕЛЬНОЕ
178 ₽
27
09283-59001
Seal,final driv
28
09283-59001
Seal,final driv
29
13114-65J00
Vis (8x35)
31
27594-31G80
Shaft,rr final
32
09103-10148
BOLT(10X110)
888 ₽
33
09103-10405
BOLT,10X30
34
09159-16003
ГАЙКА
178 ₽
35
09160-16026
Rondelle
36
09280-20002
Кольцо (ID:19.4, D:3.1)
178 ₽
37
27491-31G00
Hose,breather
38
09401-10402
CLIP
162 ₽
39
09159-10115
Гайка
289 ₽
40
09408-00235
Clamp,breather
41
09280-35008
O-Ring (d:3.1,id)

Узлы для