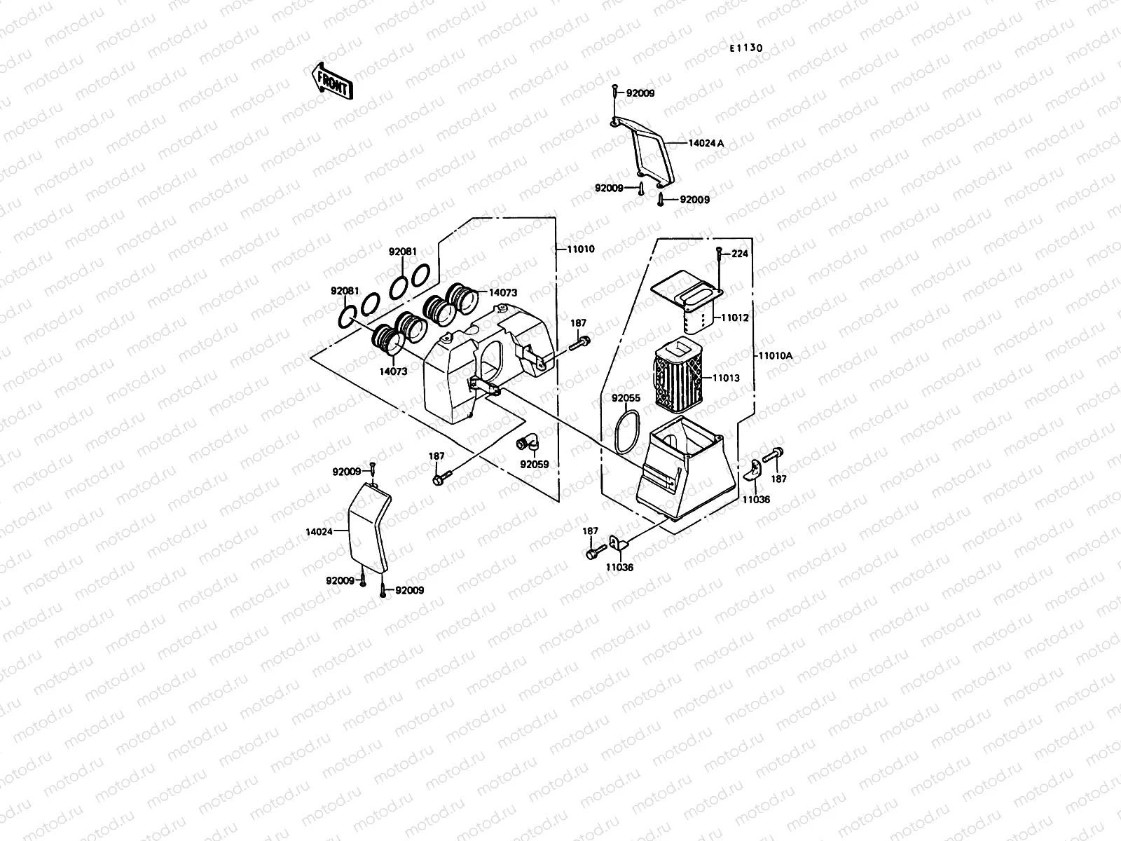
Air Cleaner

Air Cleaner
187
187AA-0614
Vis (6x14)
104 ₽
224
224AA-0612
SCREW-PAN-WP-CROS
113 ₽
11010
11010-1152
FILTER-ASSY-AIR,FR
Цена по
запросу
11010
11010-1331
FILTER-ASSY-AIR,RR
Цена по
запросу
11012
11012-1183
CAP,AIR FILTER
Цена по
запросу
11013
11013-1157
Filtre à air
6 099 ₽
11036
11036-1514
BRACKET-A,AIR FILTER,
Цена по
запросу
14024
14025-1514
COVER,AIR FILTER,LH
Цена по
запросу
14024
14025-1515
COVER,AIR FILTER,RH
Цена по
запросу
14073
14073-1083
DUCT,AIR FILTER,FR
1 785 ₽
92009
92009-1138
SCREW,TAPPING,5X12,BL
241 ₽
92055
92055-1137
O-Ring (91mm)
546 ₽
92059
92059-1170
TUBE,AIR FILTER BLEED
1 398 ₽
92081
92144-1771
SPRING,AIR FILTER DUC
916 ₽

Узлы для