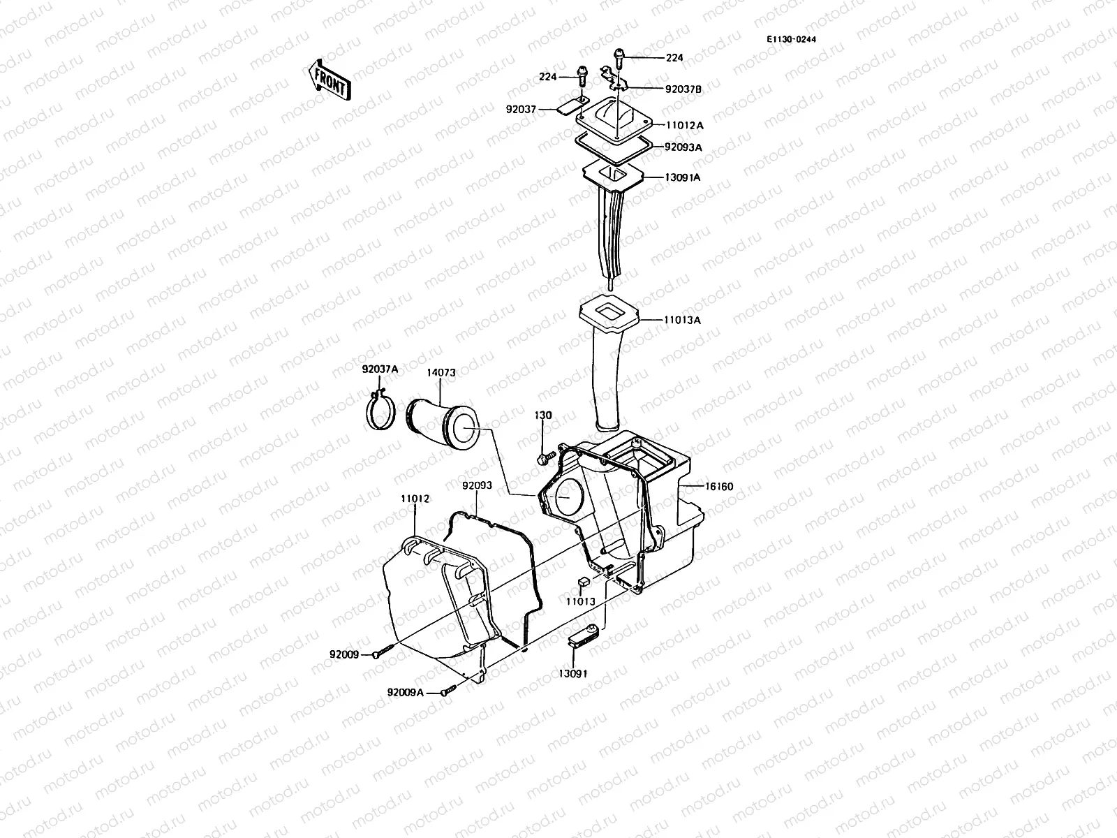
Air Cleaner

Air Cleaner
130
130BA-0612
5 pc - Vis
80 ₽
224
224AA-0618
SCREW-PAN-WP-CROS,6X18
Цена по
запросу
11012
11012-1556
CAP,AIR FILTER
5 060 ₽
11012
11012-1607
CAP,AIR INLET
Цена по
запросу
11013
11013-1147
Filtre à air
Цена по
запросу
11013
11013-1178
ELEMENT-AIR FILTER
Цена по
запросу
13091
13091-1429
HOLDER
Цена по
запросу
13091
13091-1459
HOLDER,ELEMENT
1 382 ₽
14073
14073-1263
DUCT,CARBURETOR
1 815 ₽
16160
16160-1119
BODY,AIR FILTER
Цена по
запросу
92009
92009-1378
SCREW,TAPPING,5X40
253 ₽
92009
92009-1429
SCREW
241 ₽
92037
92171-0652
pc - CLAMP,L=60
119 ₽
92037
92170-1438
Collier
546 ₽
92037
92037-1882
Collier
Цена по
запросу
92093
92093-1215
SEAL,AIR FILTER CASE
1 012 ₽
92093
92093-1216
SEAL,AIR INLET CAP
417 ₽

Узлы для