AIR BOX - A00CB32AA (4949354935B003) | AIR BOX - A00CB32AA (4949354935B003)

AIR BOX - A00CB32AA (4949354935B003) | AIR BOX - A00CB32AA (4949354935B003)
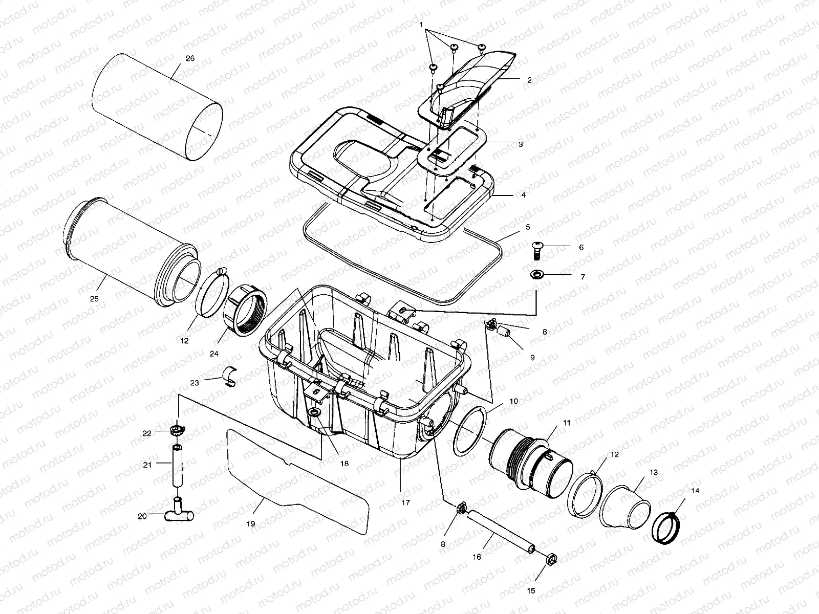
1
7517541
SCREW SEMS
2
5436944
DUCT-INLET AIRBOX COVER
3
5411422
GASKET INTAKE
4
5432868
COVER AIRBOX
5
5813949
SEAL-AIRBOX COVER
6
7515180
Vis
7
7558301
WASHER FLAT
8
7080699
CLAMP HOSE
9
5433396
CAP END 406-12 3/4BLK
10
5830128
GASKET CARBURETOR INLET DUCT
11
5433180
DUCT-CARBURETOR INLET
12
7080413
CLAMP BAND NARROW
13
5411588
BOOT-CARBURETOR
14
7080511
CLAMP NARROW BAND
15
7080694
CLAMP HOSE SPRING
16
5411848
HOSE,BRTHR,.47-.38X12" (If built after 7/26/99)
16
5411848
HOSE,BRTHR,.47-.38X12" (If built after 7/26/99)
17
5433678
BOX AIR
17
5432774
BOX AIR
18
5431863
INSULATOR
19
5811650
FOIL
20
5432377
PLUG TRAP
21
8450059-150
FUEL LINE
22
7080650
CLAMP HOSE
23
5242044
CLIP
24
5432601
COLLAR CARBURETOR INLET
25
7082101
FILTER-AIR INTAKE
26
5811633
FILTER PRECLEAN SLEEVE

Узлы для