A-ARM/STRUT MOUNTING - A99BA38CA (4949534953b005) | A-ARM/STRUT MOUNTING - A99BA38CA (4949534953b005)

A-ARM/STRUT MOUNTING - A99BA38CA (4949534953b005) | A-ARM/STRUT MOUNTING - A99BA38CA (4949534953b005)
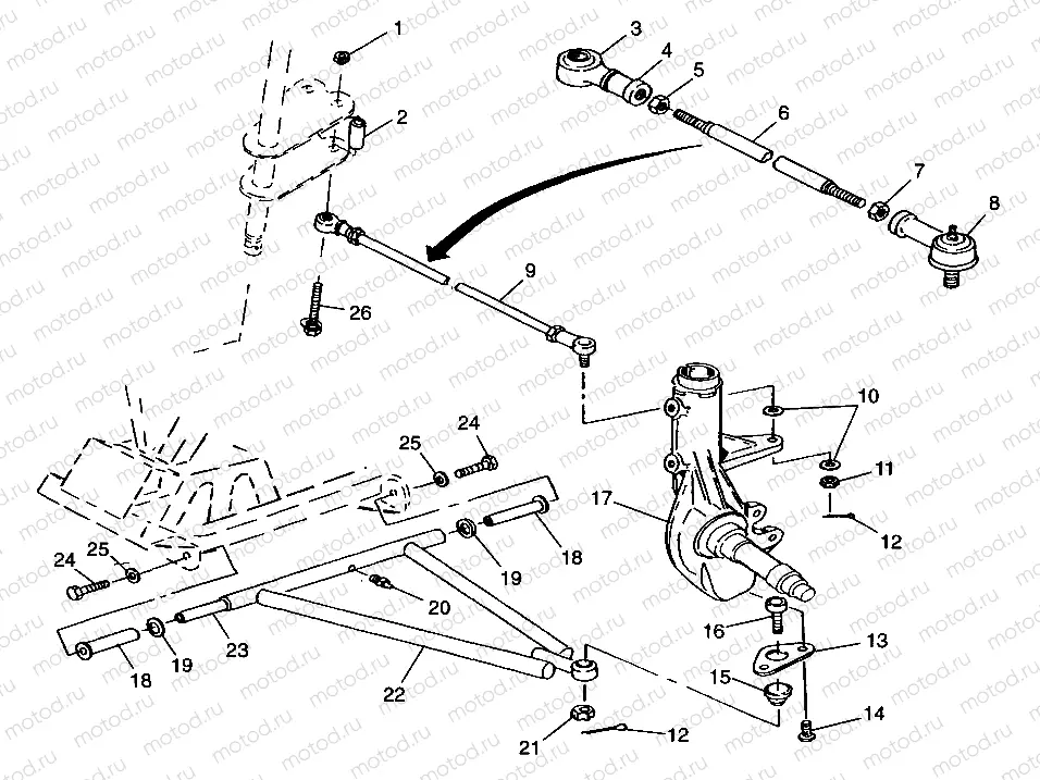
1
7542403
NUT LOCK
Цена по
запросу
2
5333367
BUSHING
Цена по
запросу
3
5412928
BOOT-SEAL ROD END 1/2 IN
Цена по
запросу
4
7061139
ROD-END 3/8 1/2-20RH 44DEG
Цена по
запросу
5
7542711
NUT-JAM
Цена по
запросу
6
5020927
ROD TIE
Цена по
запросу
7
7547028
NUT JAM LH
Цена по
запросу
8
2201743
ROD END KIT 10MM OUTER
Цена по
запросу
9
2201742
TIE ROD KIT 14.0 2X4
Цена по
запросу
10
7555806
WASHER FLAT
Цена по
запросу
11
7546904
NUT CASTLE
Цена по
запросу
12
7661203
PIN COTTER
Цена по
запросу
13
5240717
BRACKET BALLJOINT
Цена по
запросу
14
7512284
BOLT SOCKET
Цена по
запросу
15
5412658
BOOT-BALLJOINT GREASELESS STRT
Цена по
запросу
16
7061158
BALL-JOINT GREASELESS STRUT
Цена по
запросу
17
LR--
CALIPER, BRAKE, RH
Цена по
запросу
18
5436973
BUSHING-A-ARM LONG 102.36MM(10
Цена по
запросу
19
5020677
BUSHING A-ARM SPACER
Цена по
запросу
20
7080433
FITTING LUBRICATION THREADED(1
Цена по
запросу
21
7542438
NUT CASTLE
Цена по
запросу
22
2202277-067
KIT-A-FRAME RH BLK(1542176)
Цена по
запросу
22
2202276-067
KIT-A-FRAME LH BLK(1542175)
Цена по
запросу
23
5133806
SHAFT-A-ARM
Цена по
запросу
24
7515540
Vis
Цена по
запросу
25
7552603
Rondelle (Lock)
Цена по
запросу
26
7517527
Vis
Цена по
запросу

Узлы для