A-ARM/STRUT MOUNTING - A03CL50AA (4975687568B05) | A-ARM/STRUT MOUNTING - A03CL50AA (4975687568B05)

A-ARM/STRUT MOUNTING - A03CL50AA (4975687568B05) | A-ARM/STRUT MOUNTING - A03CL50AA (4975687568B05)
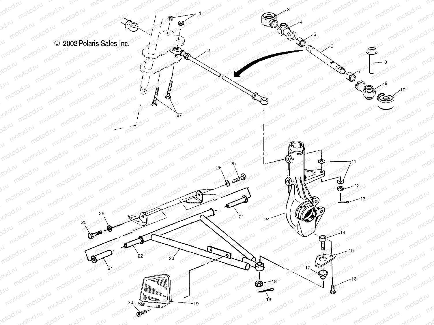
1
7542439
Nut (SELF-LOCKING)
Цена по
запросу
2
1822852
ASM-TIE ROD 1/2-20X13.4
Цена по
запросу
3
5412928
BOOT-SEAL ROD END 1/2 IN
Цена по
запросу
4
7061139
ROD-END 3/8 1/2-20RH 44DEG
Цена по
запросу
5
7542711
NUT-JAM
Цена по
запросу
6
5020926
ROD TIE
Цена по
запросу
7
7547028
NUT JAM LH
Цена по
запросу
8
7517909
BOLT-M10X1.25X65 HX WASH HD
Цена по
запросу
9
7061138
ROD-END 10MM 1/2-20LH 42 DEG
Цена по
запросу
10
5412929
BOOT-SEAL ROD END 10MM
Цена по
запросу
11
7556099
WASHER
Цена по
запросу
12
7547177
NUT-M10X1.25-HX-LOCK-Y
Цена по
запросу
13
7661203
PIN COTTER
Цена по
запросу
14
7061158
BALL-JOINT GREASELESS STRUT
Цена по
запросу
15
5211121
BRKT BALL JOINT
Цена по
запросу
16
7512284
BOLT SOCKET
Цена по
запросу
17
5412658
BOOT-BALLJOINT GREASELESS STRT
Цена по
запросу
18
7542438
NUT CASTLE
Цена по
запросу
19
5431149-070
SHIELD-CV JOINT RH BLK
Цена по
запросу
19
5431150-070
SHIELD-CV JOINT LH BLK
Цена по
запросу
20
7512084
Vis
Цена по
запросу
21
5436973
BUSHING-A-ARM LONG 102.36MM(10
Цена по
запросу
22
5133806
SHAFT-A-ARM
Цена по
запросу
23
2202283
KIT-A-FRAME RH(1541871)
Цена по
запросу
23
2202282
KIT-A-FRAME LH(1541870)
Цена по
запросу
24
LR--
CALIPER, BRAKE, RH
Цена по
запросу
25
7512492
Vis
Цена по
запросу
26
7571611
Rondelle (Lock)
Цена по
запросу
27
7515415
Vis
Цена по
запросу

Узлы для