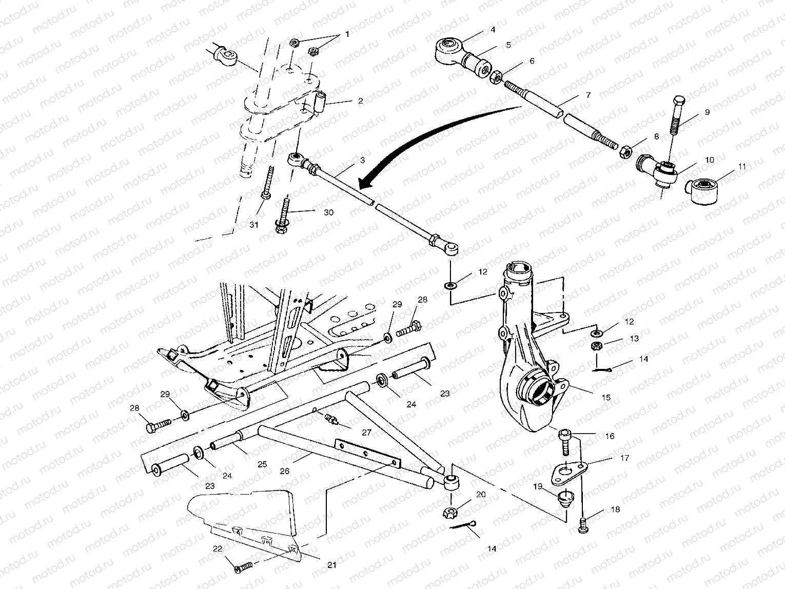
A-ARM/STRUT MOUNTING - A00CH33AC (4959905990C003) | A-ARM/STRUT MOUNTING - A00CH33AC (4959905990C003)

A-ARM/STRUT MOUNTING - A00CH33AC (4959905990C003) | A-ARM/STRUT MOUNTING - A00CH33AC (4959905990C003)
1
7542403
NUT LOCK
2
5333367
BUSHING
3
1822852
ASM-TIE ROD 1/2-20X13.4
4
5412928
BOOT-SEAL ROD END 1/2 IN
5
7061139
ROD-END 3/8 1/2-20RH 44DEG
6
7542711
NUT-JAM
7
5020926
ROD TIE
8
7547028
NUT JAM LH
9
7517909
BOLT-M10X1.25X65 HX WASH HD
10
7061138
ROD-END 10MM 1/2-20LH 42 DEG
11
5412929
BOOT-SEAL ROD END 10MM
12
7556099
WASHER
13
7546904
NUT CASTLE
14
7661203
PIN COTTER
15
LR--
CALIPER, BRAKE, RH
16
7061158
BALL-JOINT GREASELESS STRUT
17
5211121
BRKT BALL JOINT
18
7512284
BOLT SOCKET
19
5412658
BOOT-BALLJOINT GREASELESS STRT
20
7542438
NUT CASTLE
21
5431837
SHIELD LH.CV BLK.
21
5431838
SHIELD RH.CV BLK.
22
7512084
Vis
23
5436973
BUSHING-A-ARM LONG 102.36MM(10
24
5020677
BUSHING A-ARM SPACER
25
5133806
SHAFT-A-ARM
26
2202281
KIT-A-FRAME RH(1541869)
26
2202280
KIT-A-FRAME LH(1541868)
27
7080433
FITTING LUBRICATION THREADED(1
28
7512492
Vis
29
7552603
Rondelle (Lock)
30
7517527
Vis
31
7515415
Vis

Узлы для