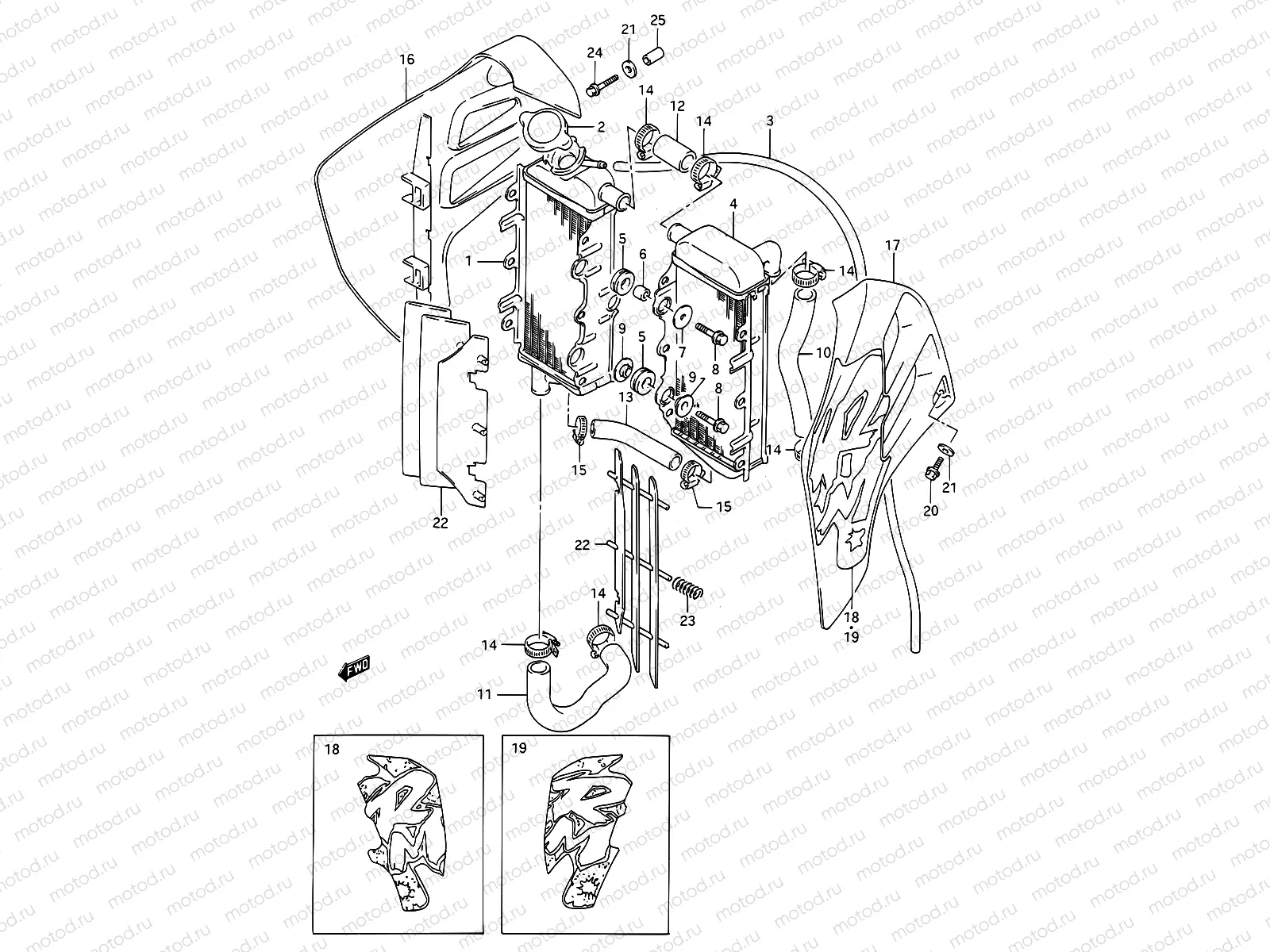
9A - RADIATOR (MODEL M)

9A - RADIATOR (MODEL M)
1
17710-27C30
Radiator, rh
Цена по
запросу
2
17730-08J00
Крышка радиатора
1 583 ₽
3
09351-50803-00B
HOSE(5X8X1000)
921 ₽
4
17720-27C30
Radiator, lh
Цена по
запросу
5
17787-19A00
CUSHION,RADIATOR LWR
238 ₽
6
09180-06221
Spacer
Цена по
запросу
7
09160-06114
Шайба
1 250 ₽
8
01547-06257
БОЛТ
102 ₽
9
17781-26C00
WASHER,RDTR SPRT
204 ₽
10
17851-27C30
Hose, inlet
Цена по
запросу
11
17852-27810
Цена по
запросу
12
17851-01A00
HOSE,RADIATOR INLET
2 040 ₽
13
17854-43810
Hose,radiator j
Цена по
запросу
14
09402-28511
CLAMP
307 ₽
15
09402-22512
ХОМУТ РУЛ. НАК.
4 300 ₽
16
17761-27C00-25Y
OVER,RADIATOR,R
3 949 ₽
17
17762-27C00-25Y
Крышка радиатора
2 893 ₽
18
68661-27C40-0ZJ
Emblem, radiator cover rh
Цена по
запросу
19
68671-27C40-0ZJ
Emblem,radiator cover lh
Цена по
запросу
20
01547-06127
Болт платы сальника
980 ₽
21
09168-06027
GASKET(6.5X20X1.5)
162 ₽
22
17831-26C00
LOUVER,RADIATOR
3 060 ₽
23
09440-11024-XC0
Пружина
275 ₽
24
01547-06307
Болт
102 ₽
25
09180-06178
SPACER(6.4X10X22)
129 ₽

Узлы для