9 - RADIATOR

9 - RADIATOR
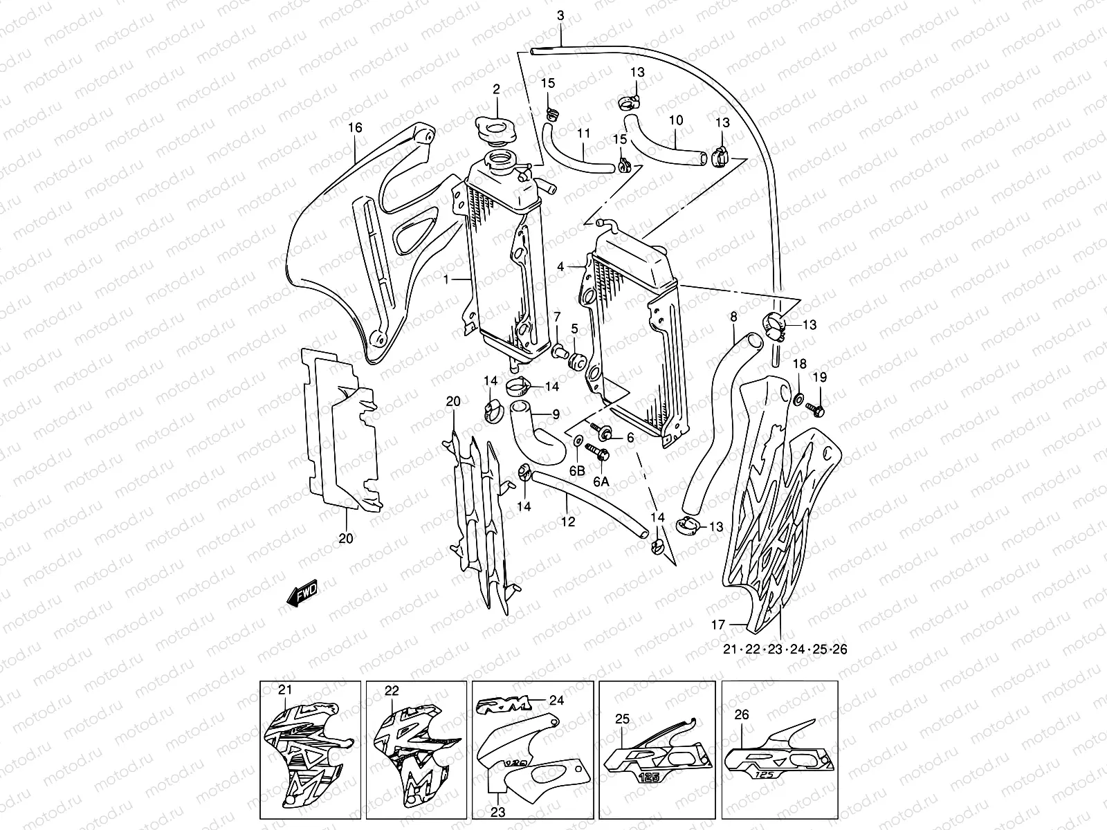
1
17710-36E00
Radiator comp,r
Цена по
запросу
2
17730-08J00
Крышка радиатора
1 583 ₽
3
09351-50803-00B
HOSE(5X8X1000)
921 ₽
4
17720-36E00
Radiator,water
Цена по
запросу
5
17787-19A00
CUSHION,RADIATOR LWR
238 ₽
6
09116-06147
Болт копрусный
162 ₽
7
09180-06243
Прокладка
3 280 ₽
8
17851-36E00
Hose,rdtr inlet
Цена по
запросу
9
17852-43D00
Hose,rdtr outl
Цена по
запросу
10
17853-29E00
HOSE,RADIATOR JOINT
1 122 ₽
11
17854-13810
Hose,rad.bypass
Цена по
запросу
12
17854-43810
Hose,radiator j
Цена по
запросу
13
09402-28511
CLAMP
307 ₽
14
09402-22512
ХОМУТ РУЛ. НАК.
4 300 ₽
15
09401-13414
Крепёж шланга
170 ₽
16
17761-36E01-Z62
Cover,radiator,
Цена по
запросу
17
17762-36E01-Z62
Cover,radtr.,l.
Цена по
запросу
18
09169-06053
Шайба (6.3X16X1)
97 ₽
19
01547-0612B
БОЛТ
82 ₽
20
17831-36E00
LOUVER,RADIATOR
1 207 ₽
21
68661-36E00-E8S
mblem, radiator cover rh
Цена по
запросу
21
68671-36E00-E8S
mblem,radiator
Цена по
запросу

Узлы для