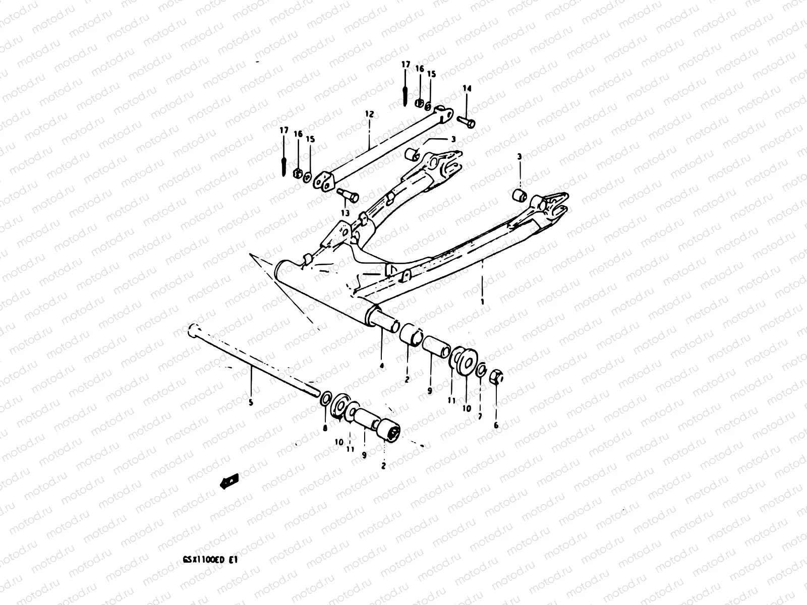
84 - REAR SWINGING ARM (GSX1100EZ/ED/EXD/ESD)

84 - REAR SWINGING ARM (GSX1100EZ/ED/EXD/ESD)
1
61100-49852
Цена по
запросу
2
09263-25024
BEARING(25X33X30)
4 165 ₽
3
09319-10008
BUSH
5 980 ₽
4
61282-49000
SPACER,RR SWGARM PIVOT CTR
3 075 ₽
5
61211-49301
Shaft,rr swingi
Цена по
запросу
6
08319-2116A
Гайка
4 500 ₽
7
08322-01167
Шайба
85 ₽
9
61251-49000
SPACER,RR SWGARM PIVOT
2 072 ₽
10
61262-49202
Cover,rr Swingingarm Pivot
1 207 ₽
11
08211-16381
WASHER
1 410 ₽
12
64310-49200-019
LINK,RR TORQUE
2 405 ₽
13
09111-10022-XC0
Bolt(10x39)
Цена по
запросу
14
09101-10017
Bolt 10x39
Цена по
запросу
15
08322-0110B
Шайба
85 ₽
16
08314-4010B
ШАЙБА
114 ₽
17
04111-2020A
Штифт
81 ₽

Узлы для