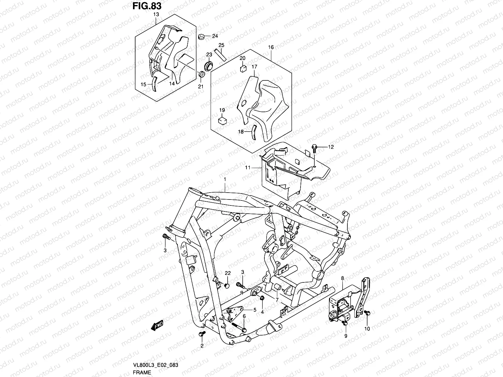
РАМА для VL800 L3 Intruder C800 / Boulevard C50 (E24) SUZUKI

83 - FRAME
1
41100-41F80-019
RAME(BLACK)
266 450 ₽
2
01550-0816B
Болт крепёжный
97 ₽
3
07130-1035B
Болт
179 ₽
4
08319-3110B
Гайка
1 920 ₽
5
41920-41F00
PLATE,ENGINE MOUNT NO.1,L
1 380 ₽
6
09112-08013
BOLT(8X65)
2 580 ₽
7
41941-41F00
SPACER,ENG MTG LR
676 ₽
8
41540-41F30
HOLDER,ELECTRIC PARTS
5 279 ₽
9
01547-0612A
БОЛТ
81 ₽
10
01550-0816A
Болт крепёжный
97 ₽
11
47410-41F02
HOLDER,ELECTRIC PARTS
4 653 ₽
12
09113-06001
БОЛТ
129 ₽
13
47350-41F00-019
COVER,FRAME HEAD,R(BLACK)
7 116 ₽
14
47352-39G00
CUSHION,FRAME HEAD COVER,R
1 568 ₽
15
53145-40A00
CUSHION,FR FENDER
170 ₽
16
47360-41F02-019
COVER,FRAME HEAD,L(BLACK)
4 590 ₽
17
47362-39G00
CUSHION,FRAME HEAD COVER,L
1 329 ₽
18
53145-40A00
CUSHION,FR FENDER
170 ₽
19
53146-05G00
CUSHION,FR FENDER SIDE
375 ₽
20
94422-06G00
CUSHION
170 ₽
21
09320-08527
Cushion
1 640 ₽
22
56524-23K10
Cap gsx-r 125/
Цена по
запросу
23
578 ₽
24
09320-09501
ДЭМПФЕР
1 250 ₽
25
17798-39G00
ДЕТАЛЬ
204 ₽

Узлы для