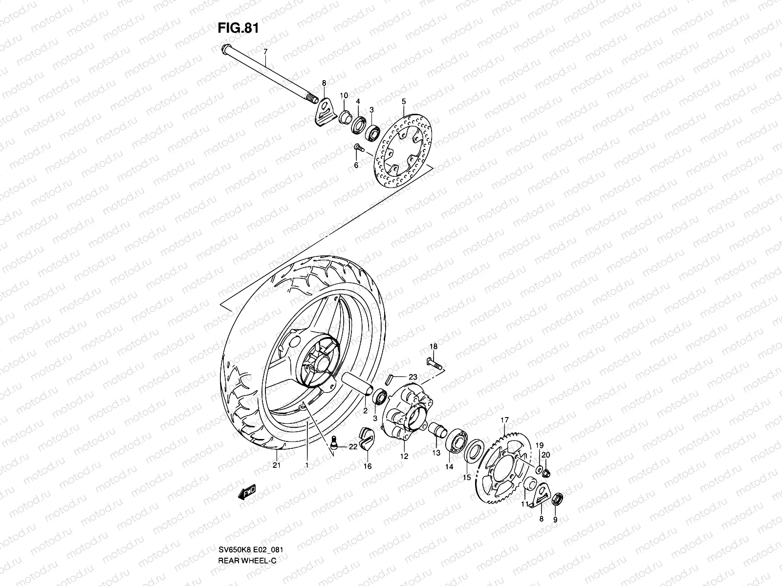
81 - REAR WHEEL (SV650K8/UK8/SK8/SUK8/K9/UK9/SK9/SUK9/SL0/SUL0)

81 - REAR WHEEL (SV650K8/UK8/SK8/SUK8/K9/UK9/SK9/SUK9/SL0/SUL0)
1
64111-08F11-019
WHEEL,RR(17M/CXMT4.50)
92 752 ₽
2
09180-20062
SPACER(20.5X28X88)
9 540 ₽
3
09262-20042
Подшипник
1 777 ₽
4
09285-28004
OIL SEAL
1 088 ₽
5
69211-40F10
DISC,RR BRAKE
25 024 ₽
6
09106-08148
BOLT(8X33)
3 320 ₽
7
64711-17G00
AXLE,RR
9 619 ₽
8
61445-17G00
Шайба
594 ₽
9
08319-3118A
Гайка
934 ₽
10
64741-22D00
SPACER,RR AXLE,R
1 190 ₽
11
64751-26E00
SPACER,RR AXLE,L
1 376 ₽
12
64611-19F00
DRUM,RR SPROCKET MOUNTING
14 741 ₽
13
64733-27A00
RETAINER,RR HUB BEARING
1 396 ₽
14
09262-25073
ПОДШИПНИК КАЧЕНИЯ
1 550 ₽
15
09285-35001
Сальник (35X62X8)
825 ₽
16
64651-27A01
BSORBER,RR HUB SHOCK
954 ₽
17
64511-32C00
SPROCKET,RR(NT:45-525)
9 931 ₽
18
09119-10043
BOLT(10X47)
2 540 ₽
19
09160-10039
Шайба
119 ₽
20
08319-3110B
Гайка
1 920 ₽
21
65110-17G00
TIRE,RR(160/60 ZR17M/C 69W)
41 446 ₽
22
43130-24A00
Ниппель
468 ₽
23
55411-17G00
BALANCER,WHEEL(10G)
272 ₽
23
55412-17G00
BALANCER,WHEEL(20G)
272 ₽
23
55413-17G00
BALANCER,WHEEL(30G)
500 ₽

Узлы для