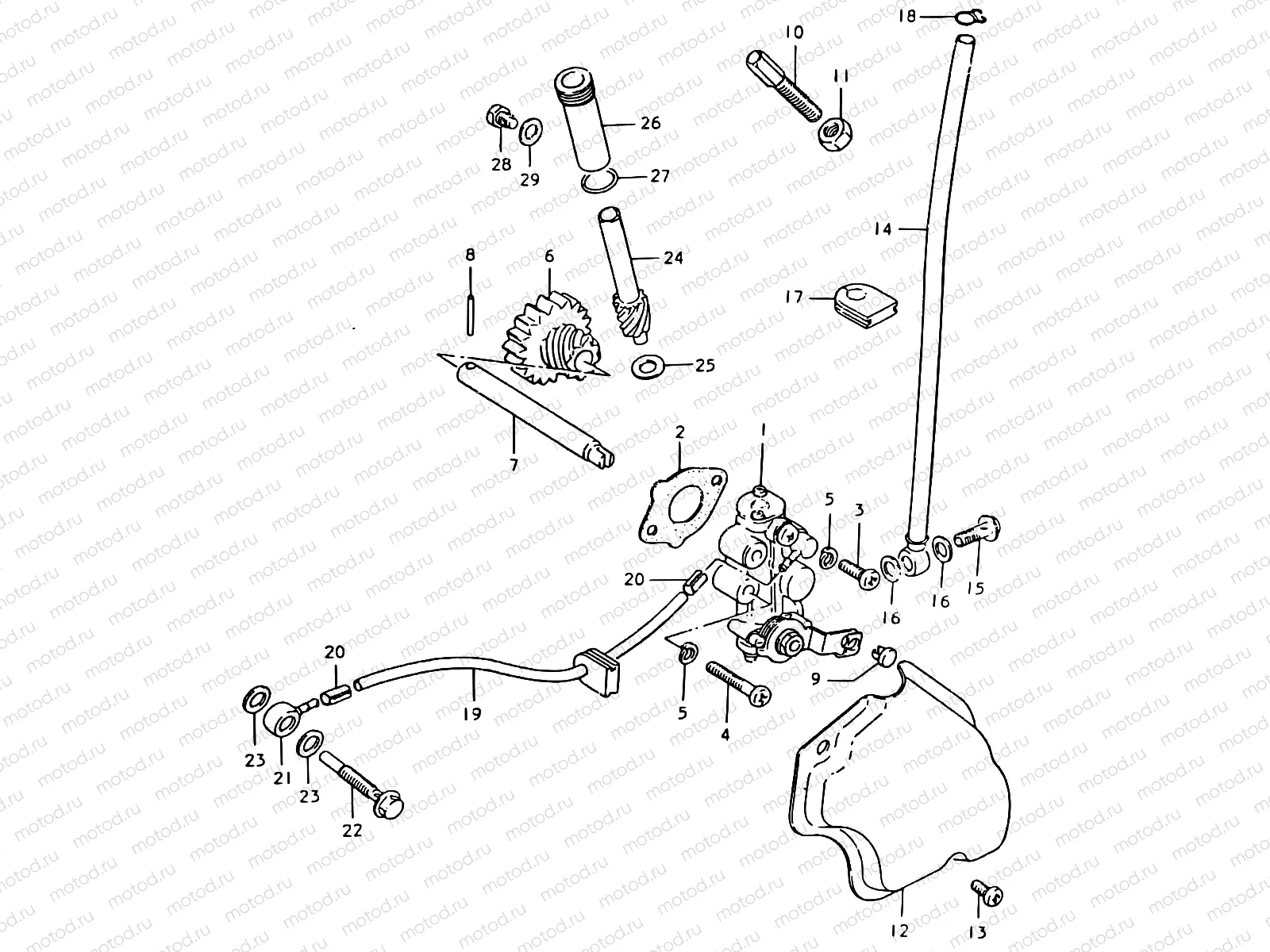
МАСЛЯНЫЙ НАСОС для TS125ER X SUZUKI

8 - OIL PUMP
1
16100-48020
Насос масляный
16 657 ₽
2
16731-03101
Прокладка масляного насоса
162 ₽
3
02112-05167
Болт
81 ₽
4
02112-0530A
Болт
81 ₽
5
08321-0105A
Пластина замка
81 ₽
6
16321-48030
Барабан масляного насоса
1 130 ₽
7
16322-48000
Барабан масляного насоса
852 ₽
8
09261-02001
PIN(2.5X19.8)
82 ₽
9
16292-03112
TERMINAL,CABLE
226 ₽
10
210 ₽
11
08310-00087
Гайка 8MM
81 ₽
12
11385-48000
CAP,OIL PUMP INSPECTION
1 479 ₽
13
02112-0610B
Винт
81 ₽
14
16810-07520
Hose oil no.1
Цена по
запросу
15
09360-06003
Болт соединяющий
1 115 ₽
16
09168-06004
Кольцо прокладочное
113 ₽
17
09309-08015
Grommet
1 410 ₽
18
09401-08401
Хомут
113 ₽
19
16820-39101
Hose,oil No.2
289 ₽
20
09401-04401
Хомут
194 ₽
21
09363-02002
Болт соединяющий
1 454 ₽
22
09360-06009
Болт соединяющий
760 ₽
23
09168-06004
Кольцо прокладочное
113 ₽
24
26431-48000
Gear, tacho. driven (nt:10)
Цена по
запросу
25
09160-08003
Шайба
170 ₽
26
26441-48000
Sleeve, driven gear
Цена по
запросу
27
09280-10001
O RING(D:1.3,ID:9.6)
187 ₽
28
09135-06501
BOLT(6X10)
136 ₽
29
08322-0106A
Шайба
81 ₽

Узлы для