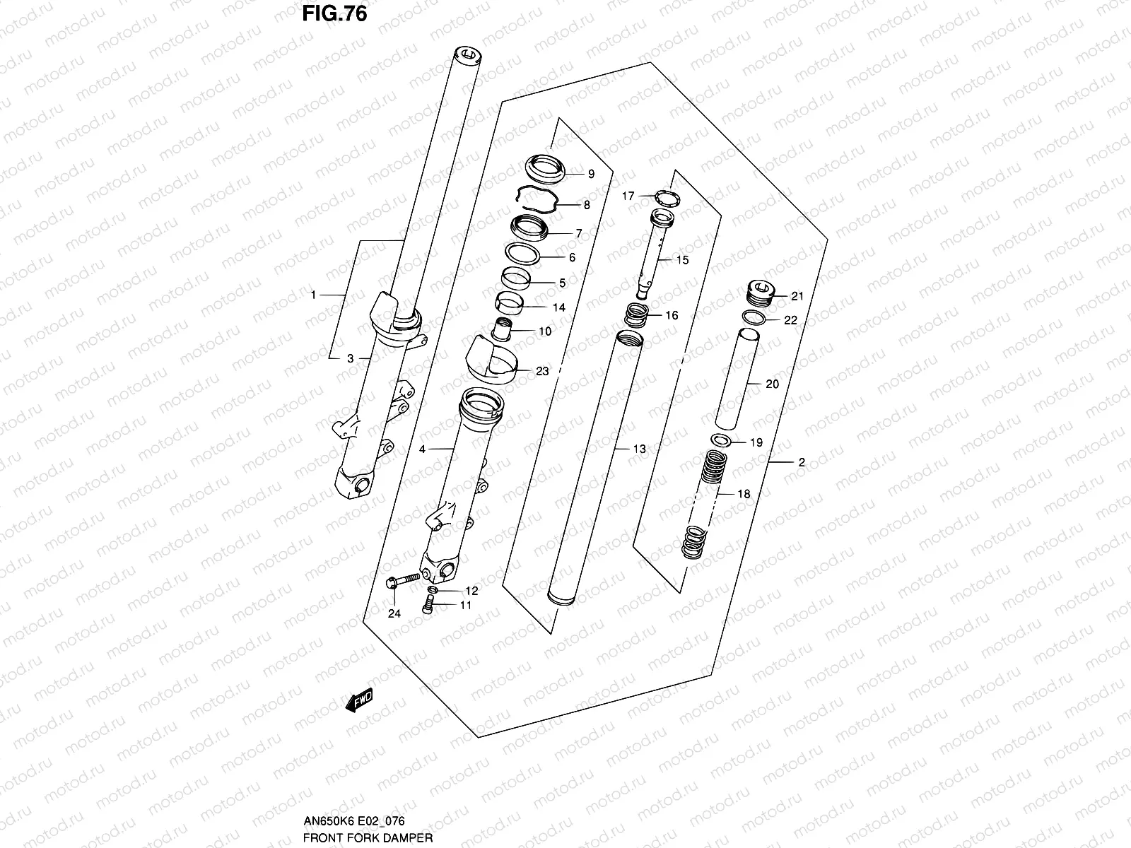
76 - FRONT FORK DAMPER

76 - FRONT FORK DAMPER
1
51103-10G50
Перо вилки в сборе, правое
74 052 ₽
2
51104-10G50
Перо вилки в сборе, левое
61 710 ₽
3
51130-10G10
TUBE,OUTER,R
38 709 ₽
4
51140-10G10
TUBE,OUTER,L
38 709 ₽
5
51167-26E10
Металическая вставка
765 ₽
6
51158-05A00
Шайба
299 ₽
7
51153-10G50
Сальник
891 ₽
8
51156-49440
RING,OIL SEAL STOPPER
204 ₽
9
51173-14F00
Уплотнение
921 ₽
10
51195-33D10
PIECE,OIL LOCK
1 197 ₽
11
51147-16510
BOLT,FORK CYLINDER(10X25)
238 ₽
12
51148-41310
GASKET
170 ₽
13
51110-10G00
TUBE,INNER
26 393 ₽
14
51121-33D10
Направляющая втулка
799 ₽
15
51146-10G10
Цилиндр
5 865 ₽
16
51177-10G10
Пружина
864 ₽
17
51196-31F00
Кольцо поршневое
561 ₽
18
51171-10G10
Пружина
4 888 ₽
19
51356-10D03
Шайба
387 ₽
20
51176-10G10
Кольцо/шайба
751 ₽
21
51351-10G10
CAP,FORK
3 206 ₽
22
09280-32001
O RING(D:3.5,ID:31.7)
275 ₽
23
51201-31F00
PROTECTOR
981 ₽
24
51166-10G10
BOLT,AXLE STOPPER
293 ₽

Узлы для