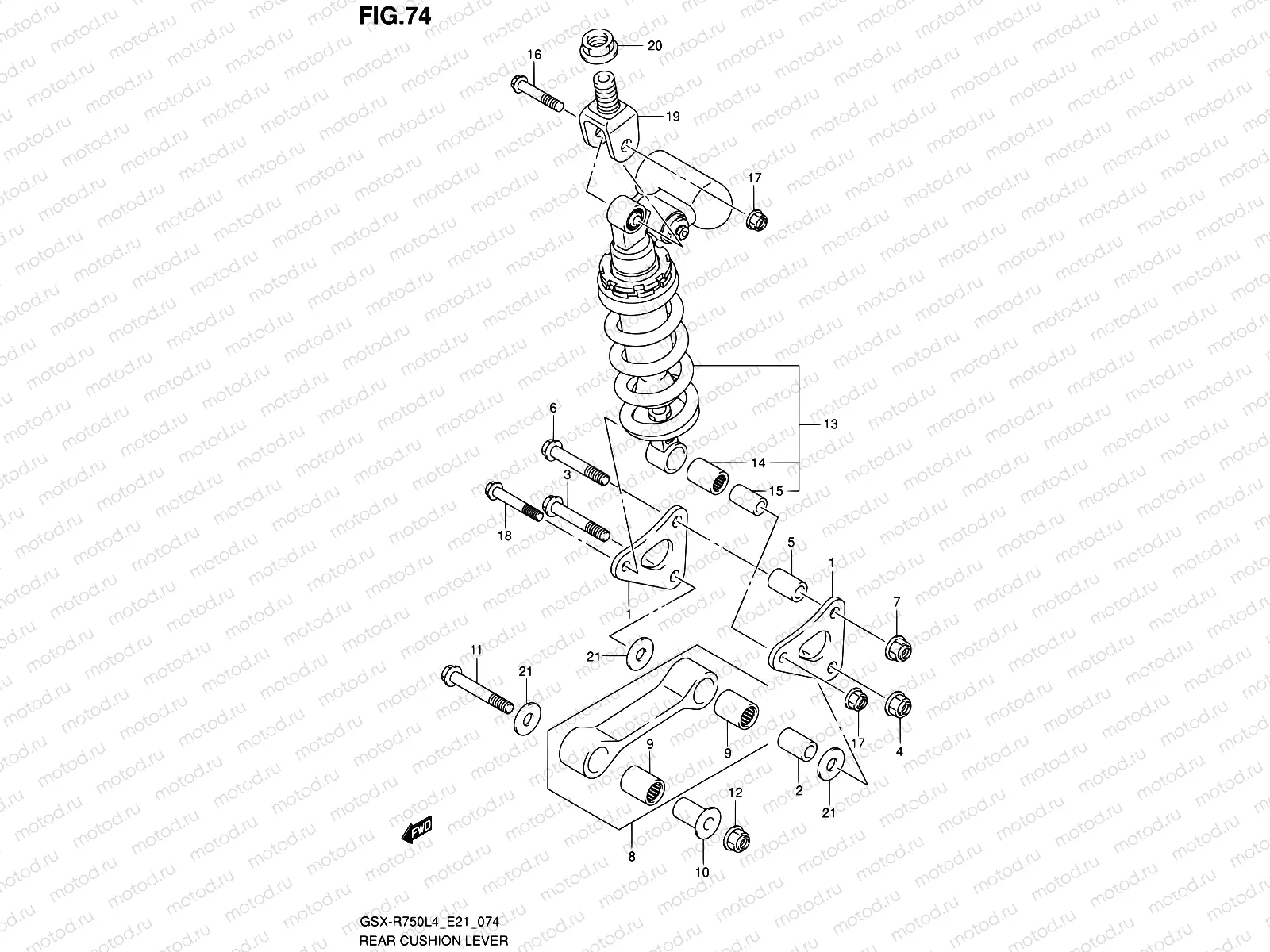
74 - REAR CUSHION LEVER (GSX-R750L4 E21)

74 - REAR CUSHION LEVER (GSX-R750L4 E21)
1
62611-14J00
LEVER,RR CUSHION
1 627 ₽/шт
2
62317-27C10
SPACER,RR CUSHION LEVER FR
1 003 ₽/шт
3
62658-47H00
BOLT,RR CUSHION LEVER
547 ₽/шт
4
09159-12056
Гайка
565 ₽/шт
5
62317-44B00
SPACER,RR CUSHION LEVER FR
952 ₽/шт
6
62658-47H00
BOLT,RR CUSHION LEVER
547 ₽/шт
7
09159-12056
Гайка
565 ₽/шт
8
62602-14861
Rod,rr Cushion
9 540 ₽/шт
9
09263-20116
Bearing
1 583 ₽/шт
10
62647-47H00
SPACER,RR CUSHION ROD FR
1 615 ₽/шт
11
62621-47H00
BOLT,RR CUSHION ROD
712 ₽/шт
12
09159-12056
Гайка
565 ₽/шт
13
62100-15810-019
ABSORBER ASSY,RR SHOCK
126 829 ₽/шт
13
62100-15820-019
Absorber assy, rear shock (black)
14
09263-17046
Подшипник верхний
1 470 ₽/шт
15
62317-47H00
SPACER,RR SHOCK ABS LWR
918 ₽/шт
16
09103-10143
Болт нижней опоры
226 ₽/шт
17
09159-10115
Гайка
289 ₽/шт
18
62313-47H00
BOLT,RR SHOCK ABSORBER LWR
618 ₽/шт
19
62993-47H00
BRACKET,RR SHOCK ABSORBER UPR
6 999 ₽/шт
20
62994-47H00
NUT,RR SHOCK ABS BRACKET
2 581 ₽/шт
21
09160-12037
Шайба
2 310 ₽/шт

Узлы для