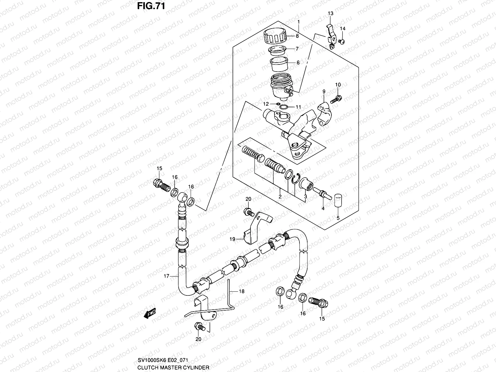
71 - CLUTCH MASTER CYLINDER (SV1000SK6/S1K6/S2K6/SK7/S2K7)

71 - CLUTCH MASTER CYLINDER (SV1000SK6/S1K6/S2K6/SK7/S2K7)
1
59800-02FA2
CYLINDER ASSY,CLUTCH MASTER
27 957 ₽/шт
2
59800-08810
Ремкомплект машинки
6 460 ₽/шт
3
59666-44300
Пыльник
194 ₽/шт
4
59871-32F00
ТОЛКАТЕЛЬ ЦИЛИНДРА СЦЕПЛЕНИЯ
1 857 ₽/шт
4
59866-23H00
Ботинок
204 ₽/шт
5
59892-08A00
Втулка
565 ₽/шт
6
69667-00B20
DIAPHRAGM
918 ₽/шт
7
69668-00B20
PLATE
395 ₽/шт
8
69669-03D10
CAP
1 454 ₽/шт
9
59671-36500
HOLDER
774 ₽/шт
10
59675-02FA0
BOLT(6X22)
441 ₽/шт
11
69686-34200
Кольцо уплотнительное
162 ₽/шт
12
59884-02FA0
O-Ring
13
59743-17C00
КРОНШТЕЙН БАЧКА РАСШИРИТЕЛЬНОГО
565 ₽/шт
14
02142-0410A
Винт
81 ₽/шт
15
09360-10062
Болт соединяющий
469 ₽/шт
16
09161-10009
Шайба
113 ₽/шт
17
59910-16G01
Hose
11 222 ₽/шт
18
59920-16G00
CLAMP,CLUTCH HOSE
1 290 ₽/шт
19
59921-16G00
CLAMP,CLUTCH HOSE NO.2
583 ₽/шт
20
01550-0612A
БОЛТ КУЗОВНОЙ, МЕТАЛЛ
81 ₽/шт

Узлы для