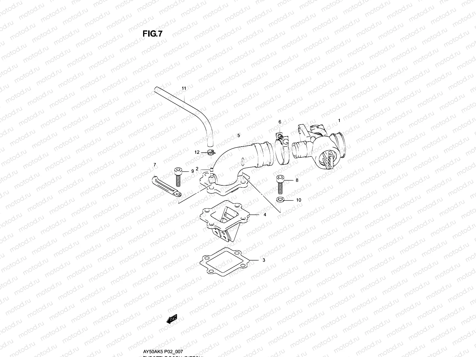
7 - THROTTLE BODY (DITECH)

7 - THROTTLE BODY (DITECH)
1
13401-02EA1
Body assy,throt
Цена по
запросу
2
16910-02EA0
Nipple comp
Цена по
запросу
3
13156-02EA0
Intake manifold Gasket
Цена по
запросу
4
13150-02EA0
Reed valve
Цена по
запросу
5
13110-02EA0
Pipe d’admission
Цена по
запросу
6
09402-38511
КОЛЬЦО
7 120 ₽
7
09404-06039
Clamp(L:65)
194 ₽
8
13141-09E21
Vis
Цена по
запросу
9
D7107-06258
Vis
Цена по
запросу
10
D8321-71068
Rondelle
Цена по
запросу
11
09352-20503-240
HOSE. OIL
Цена по
запросу
12
09401-04401
Хомут
194 ₽

Узлы для