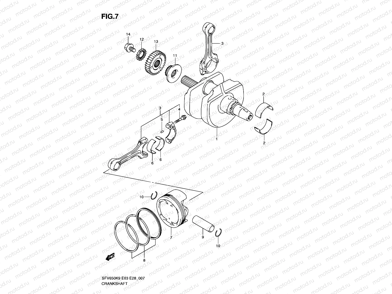
КОЛЕНВАЛ для SFV650A L0 Gladius (E03,E28,E33) SUZUKI

7 - CRANKSHAFT
1
12220-44H10
Вал коленчатый
120 989 ₽
2
12229-44H10-0A0
BEARING,CRANKSHAFT
1 141 ₽
2
12229-44H10-0B0
EARING,CRANKSHAFT
1 141 ₽
2
12229-44H10-0C0
BEARING,CRANKSHAFT
1 165 ₽
3
12160-17G10
Шатун
24 497 ₽
4
12163-24F10
БОЛТ
1 040 ₽
5
04221-04089
шпонка ведомой звездочки балансира
81 ₽
6
12164-46E01-0A0
ВКЛАДЫШ ШАТУНА
1 938 ₽
6
12164-46E01-0B0
ВКЛАДЫШ ШАТУНА
1 938 ₽
6
12164-46E01-0C0
ВКЛАДЫШ (BROWN)
1 696 ₽
6
12164-46E01-0D0
Вкладыш шатунный (Yellow)
1 938 ₽
7
8 289 ₽
8
12140-15H00
Кольца поршневые
9 537 ₽
9
12151-05A00
Палец поршня
1 195 ₽
10
09381-20004
КОЛЬЦО СТОПОРНОЕ
162 ₽
11
12731-19F00
SPROCKET,CAM CHAIN DRIVE
3 832 ₽
12
17451-17G00
EAR,WATER PUMP DRIVE
2 014 ₽
13
21100-44H00
GEAR ASSY,PRIMARY DRIVE
14 741 ₽
14
09103-10338
BOLT(10X19)
4 030 ₽

Узлы для