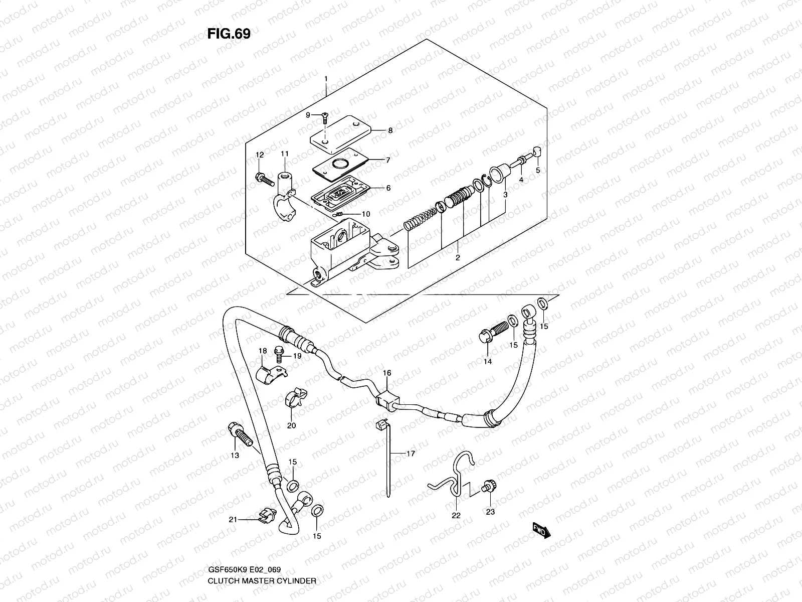
69 - CLUTCH MASTER CYLINDER (GSF650K9/AK9/UK9/UAK9/L0/AL0/UL0/UAL0)

69 - CLUTCH MASTER CYLINDER (GSF650K9/AK9/UK9/UAK9/L0/AL0/UL0/UAL0)
1
59800-32F02
CYLINDER ASSY,CLUTCH MASTER
33 150 ₽
2
59800-08810
Ремкомплект машинки
6 460 ₽
3
59666-44300
Пыльник
194 ₽
4
59871-32F00
ТОЛКАТЕЛЬ ЦИЛИНДРА СЦЕПЛЕНИЯ
1 857 ₽
4
59866-23H00
Ботинок
204 ₽
5
59892-08A00
Втулка
565 ₽
6
59667-49460
ДИАФРАГМА ЦИЛИНДРА ТОРМОЗНОГО
1 870 ₽
7
59668-41C00
КРЫШКА БАЧКА ТОРМОЗНОЙ ЖИДКОСТИ
561 ₽
8
59669-10G00
CAP
1 666 ₽
9
69689-49300
Винт
162 ₽
10
59664-32F00
PROTECTOR
602 ₽
11
59671-32F00
КРОНШТЕЙН
1 114 ₽
12
59675-02FA0
BOLT(6X22)
441 ₽
13
09360-10061
Болт соединяющий
3 910 ₽
14
09360-10062
Болт соединяющий
469 ₽
15
09161-10009
Шайба
113 ₽
16
59910-46H01
ose
21 896 ₽
17
09407-14403
КЛЕММА
221 ₽
18
59921-49G00
CLAMP,CLUTCH HOSE NO.2
680 ₽
19
01547-0616A
Болт
81 ₽
20
09403-14304
Направляющая кабеля
1 880 ₽
21
09403-09326
CLAMP
1 520 ₽
22
59915-49G00
CLAMP,CLUTCH HOSE NO.3
766 ₽
23
01550-0620A
Болт
81 ₽

Узлы для