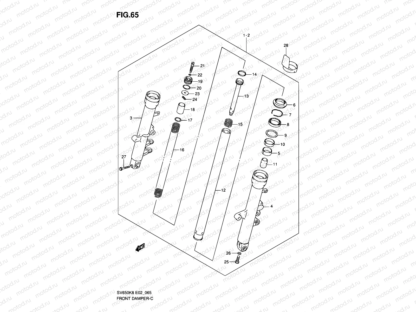
65 - FRONT DAMPER

65 - FRONT DAMPER
1
51103-17G00
Перо вилки в сборе, правое
64 328 ₽
1
51103-17G80
Перо вилки в сборе, правое
64 328 ₽
1
51103-17G50
Перо вилки в сборе, правое
85 272 ₽
2
51104-17G00
Перо вилки в сборе, левое
85 272 ₽
2
51103-17G80
Перо вилки в сборе, правое
64 328 ₽
2
51104-17G50
Перо вилки в сборе, левое
85 272 ₽
3
51130-17GA0
TUBE,OUTER,R
42 636 ₽
3
51130-17G80
TUBE,OUTER,R
35 386 ₽
4
51140-17GA0
TUBE,OUTER,L
42 636 ₽
4
51140-17G80
TUBE,OUTER,L
44 880 ₽
5
51121-42E00
Скользящая втулка
1 309 ₽
6
51571-47D50
Уплотнение
804 ₽
6
51173-01H00
Уплотнение
662 ₽
7
51556-38B00
Кольцо
243 ₽
8
51153-08D00
Сальник
1 195 ₽
8
51153-01H00
Сальник
2 584 ₽
9
51168-38B00
SPACER,SEAL
459 ₽
9
51168-17G80
SPACER,SEAL
438 ₽
10
51152-17G00
Направляющая втулка
1 224 ₽
11
51195-48B31
PIECE,OIL LOCK
1 173 ₽
12
51110-17G00
TUBE,INNER
38 123 ₽
12
51110-17G80
TUBE,INNER
38 123 ₽
13
51146-17G00
Цилиндр
7 585 ₽
13
51146-17G20
Цилиндр
2 805 ₽
13
51146-17G80
Цилиндр
5 709 ₽
14
51196-12C00
Кольцо поршневое
422 ₽
15
51177-12C00
SPRING,REBOUND
555 ₽
15
51177-17G50
Пружина
504 ₽
16
51171-17G00
Пружина
6 491 ₽
16
51171-17G20
Пружина
6 491 ₽
16
51171-17G80
Пружина
6 491 ₽
17
51192-19C00
JOINT,SPRING
194 ₽
18
51176-12C10
Прокладка
1 258 ₽
18
51176-17G50
COLLAR,SPRING
923 ₽
19
51189-12C00
BOLT,FORK
3 910 ₽
20
51117-12C00
O RING
194 ₽
21
51185-17G00
ADJUSTER BOLT,SPRING
2 581 ₽
22
09280-09005
КОЛЬЦО УПЛОТНИТЕЛЬНОЕ (D:1.9,ID:8.6)
170 ₽
23
51186-12C00
Пружина
272 ₽
24
51188-32B00
PIN,SEAT SPRING
306 ₽
25
51147-48130
BOLT(8X27)
221 ₽
26
51148-36011
GASKET
210 ₽
27
51328-03FK0
BOLT(8X40)
170 ₽
28
51201-32F00
PROTECTOR
872 ₽

Узлы для