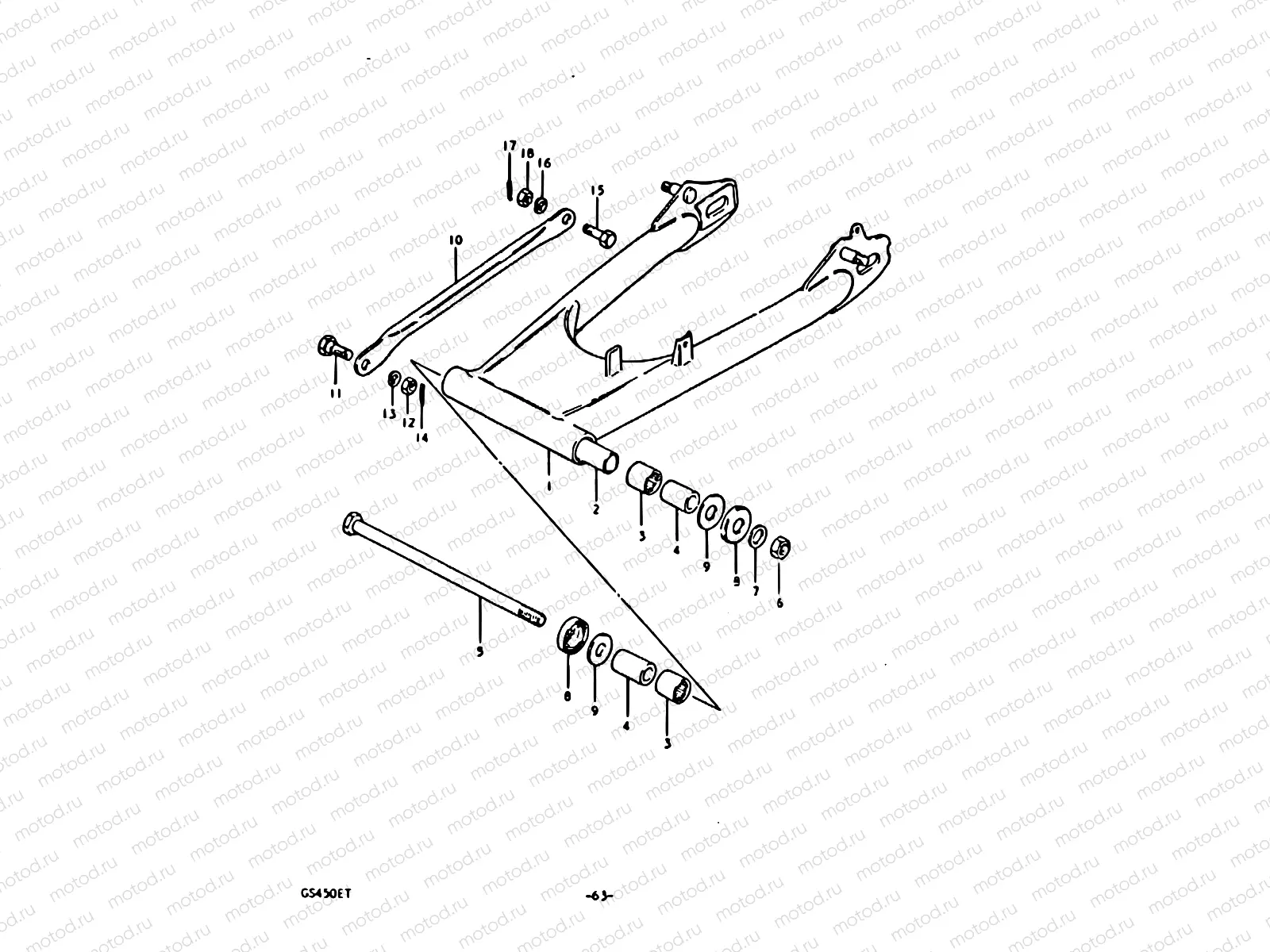
63 - REAR SWINGING ARM

63 - REAR SWINGING ARM
1
61100-44821-019
Rear swinging arm set
2
61281-44001
Entretoise
3
09263-22017
BEARING(22X29X30)
1 308 ₽/шт
4
61251-45001
SPACER,RR SWGARM PIVOT
1 003 ₽/шт
5
61211-3100V
Shaft,rr swgarm
6
08319-2114A
Гайка
2 390 ₽/шт
7
08322-0114B
Шайба
1 370 ₽/шт
8
61262-45002
CVR,RR SWGARM DUST SEAL(OD:40)
544 ₽/шт
9
09160-14020
WASHER(14.2X34X1)
1 410 ₽/шт
10
64311-44200-019
Torque link, rear
10
64311-31001-13L
Torque link,rear (silver)
11
09111-10010
Bolt
12
08310-00107
Гайка
85 ₽/шт
13
08321-01107
Шайба, стопорная
85 ₽/шт
14
04111-2015A
Штифт
81 ₽/шт
15
09101-10003
Bolt
16
08321-01107
Шайба, стопорная
85 ₽/шт
17
04111-2015A
Штифт
81 ₽/шт
18
08310-00107
Гайка
85 ₽/шт

Узлы для