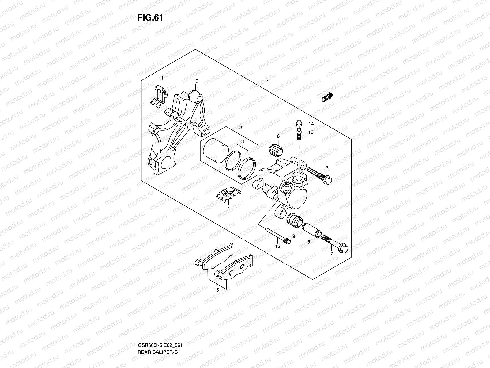
61 - REAR CALIPER (GSR600K6/UK6/K7/UK7/K8/UK8/K9/UK9/L0/UL0)

61 - REAR CALIPER (GSR600K6/UK6/K7/UK7/K8/UK8/K9/UK9/L0/UL0)
1
69100-44G00-999
CALIPER ASSY,RR
37 927 ₽
2
69100-44890
ПОРШЕНЬ
3 363 ₽
3
69102-05880
SEAL SET,PISTON
1 105 ₽
4
69115-44G00
Пружина
919 ₽
5
69105-44G00
PIN,BOLT
692 ₽
6
59112-44B00
Ботинок
598 ₽
7
69182-44G00
Болт
391 ₽
8
69185-44G00
Втулка
884 ₽
9
69186-44G00
BOOT,SLEEVE
542 ₽
10
69150-44G00
Bracket gsr600
Цена по
запросу
11
69116-44G00
RETAINER
692 ₽
12
59141-40F00
Стопор
2 385 ₽
13
59121-18410
BLEEDER
759 ₽
14
55156-66310
CAP,BLEEDER PLUG
221 ₽
15
69101-44810
КОЛОДКИ ТОРМОЗНЫЕ (МОТО)
7 820 ₽

Узлы для