61 - FRAME (AN650AL1 E28)

61 - FRAME (AN650AL1 E28)
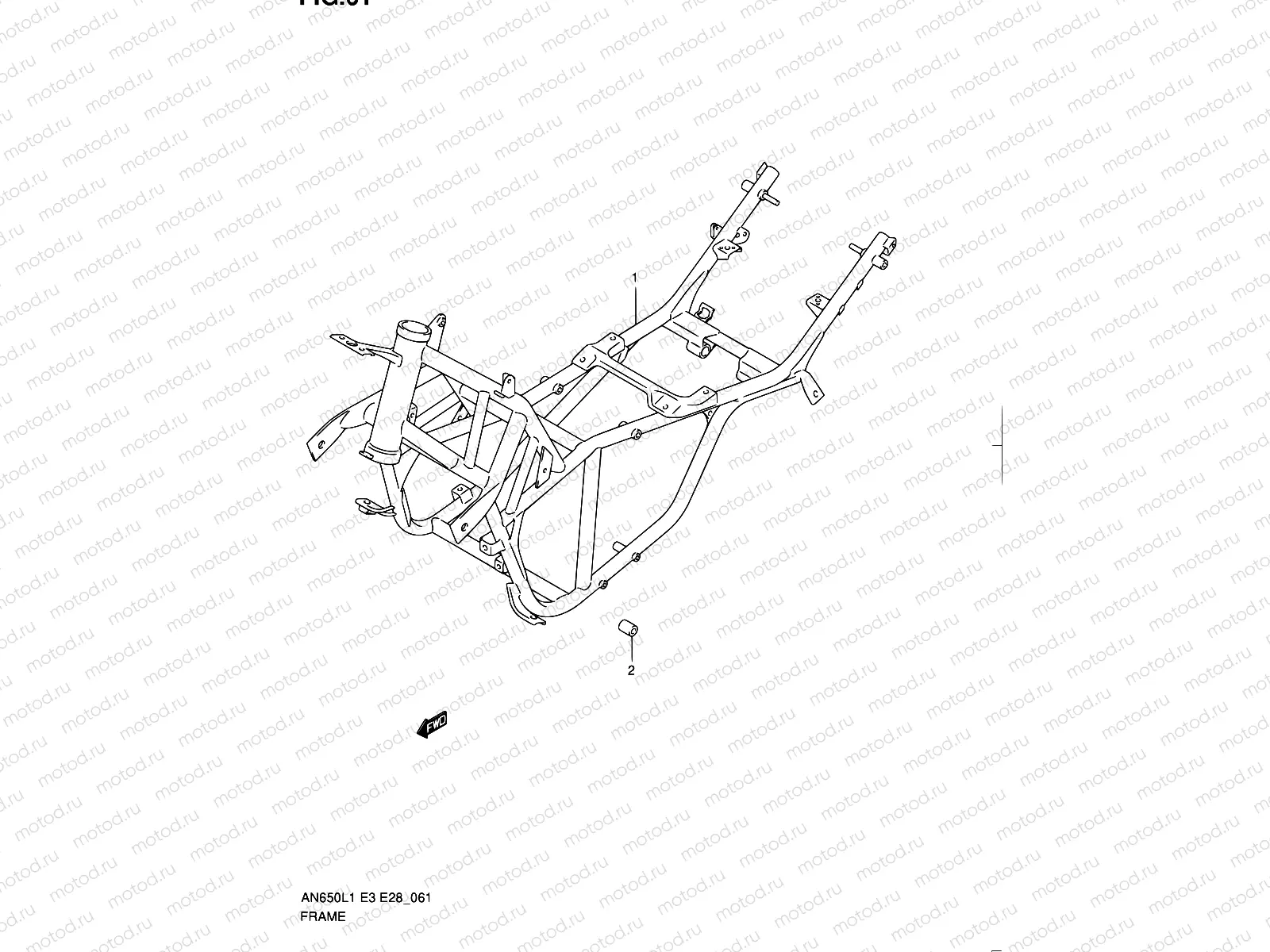
1
41100-10G52
FRAME
182 750 ₽
2
41941-10G00
Шайба подшипник
1 193 ₽

Узлы для