5A - CARBURETOR (MODEL K E06 ~E.NO.211604)

5A - CARBURETOR (MODEL K E06 ~E.NO.211604)
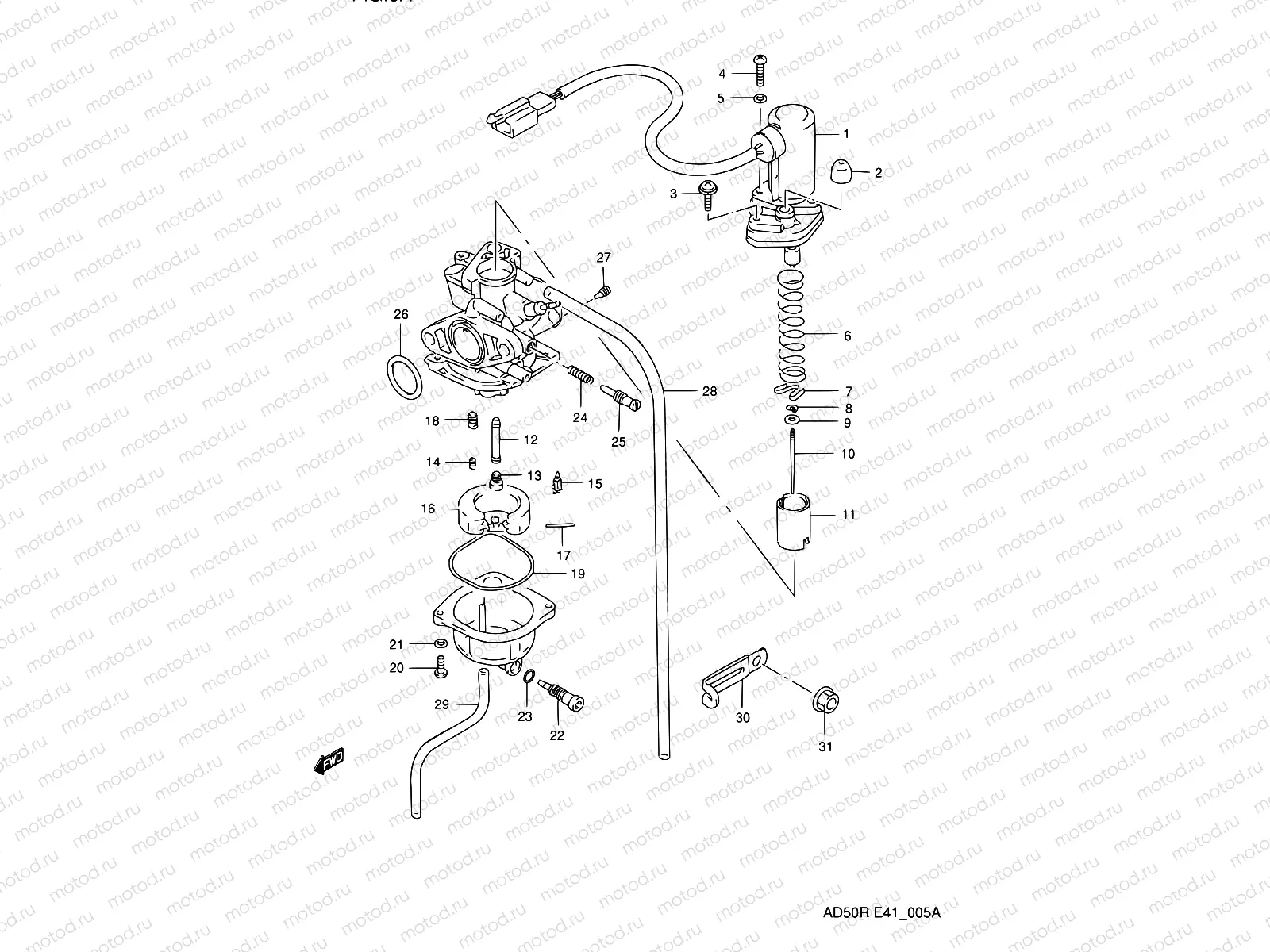
0
13200-37B12
Carburettor
Цена по
запросу
1
13430-37B10
ELEMENT ASSY,THERMO
18 573 ₽
2
13681-04011
CAP
835 ₽
3
J0211-23416-B
Vis
Цена по
запросу
4
02112-0420A
Болт
85 ₽
5
08321-0104A
Пластина замка
82 ₽
6
13573-37B00
SPRING
610 ₽
7
13581-07910
PLATE
407 ₽
8
13394-40D00
CLIP,NEEDLE
204 ₽
9
13382-47010
WASHER,JET NEEDLE
162 ₽
10
13383-37B12
.needle, jet
Цена по
запросу
11
13551-37B10
.valve, piston (ca:2.5)
Цена по
запросу
12
09494-00609
.jet, needle (e-5)
Цена по
запросу
13
09491-67005
JET,MAIN
1 189 ₽
14
09492-17006
Жиклерпроводник
657 ₽
15
13370-09D00
Клапан
1 615 ₽
16
13250-47A00
Поплавок
1 938 ₽
17
13254-47A00
Штифт плавающий
231 ₽
18
09493-50003
JET,AIR
Цена по
запросу
19
13258-47A00
Gasket
Цена по
запросу
20
02112-0412A
Болт
85 ₽
21
08321-0104A
Пластина замка
82 ₽
22
13247-37B10
.screw, drain
Цена по
запросу
23
13278-02340
O RING
162 ₽
24
13268-01010
Прушина стопорная
211 ₽
25
13267-95110
Винт дросселя
368 ₽
26
13278-09400
O RING
344 ₽
27
09493-22005
Жиклер
1 122 ₽
28
13684-29C50
H0se,3.5x6.5x75
Цена по
запросу
29
09352-30504-600
Hose(3X5X600)
527 ₽
30
09404-06039
Clamp(L:65)
194 ₽
31
08319-31067
Гайка
153 ₽

Узлы для