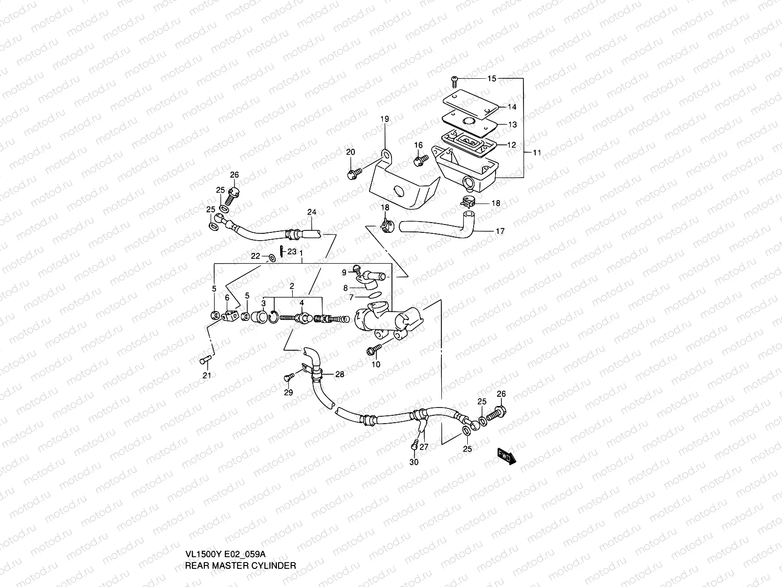
59A - REAR MASTER CYLINDER (MODEL K2/K3/K4)

59A - REAR MASTER CYLINDER (MODEL K2/K3/K4)
1
69600-10F00
CYLINDER ASSY,RR MASTER
35 190 ₽
2
69600-04821
Piston/Cup Set
3 740 ₽
3
69691-00A00
Ботинок
275 ₽
4
69670-00B21
Толкатель
1 598 ₽
5
69693-05A00
Гайка
162 ₽
6
69692-27A30
Ботинок
1 066 ₽
7
69686-34200
Кольцо уплотнительное
162 ₽
8
69672-05A00
Коннектор
387 ₽
9
02112-7412A
Болт
97 ₽
10
07120-06167
Болт
1 840 ₽
11
69740-10F00
TANK ASSY,RR RESERVOIR
7 234 ₽
12
59667-49460
ДИАФРАГМА ЦИЛИНДРА ТОРМОЗНОГО
1 870 ₽
13
59668-41C00
КРЫШКА БАЧКА ТОРМОЗНОЙ ЖИДКОСТИ
561 ₽
14
59669-41C00
AP
2 618 ₽
15
69689-49300
Винт
162 ₽
16
01550-0616B
БОЛТ
81 ₽
17
69731-10F00
HOSE,RESERVOIR TANK
1 067 ₽
18
09401-13417
ХОМУТ МАЛЫЙ
170 ₽
19
69795-10F00
COVER,RESERVOIR TANK
1 290 ₽
20
01550-0610B
Болт
85 ₽
21
09200-06068
Вал ручки
226 ₽
22
08322-0106A
Шайба
81 ₽
23
04111-2015A
Штифт
81 ₽
24
69480-10F11
Hose
13 529 ₽
25
09161-10009
Шайба
113 ₽
26
09360-10062
Болт соединяющий
469 ₽
27
69268-10F00
Clamp,rear brak
Цена по
запросу
28
59268-01D1V
CLAMP,FR BRAKE NO.2
606 ₽
29
02162-0612A
SCREW
85 ₽
30
01550-0616B
БОЛТ
81 ₽

Узлы для