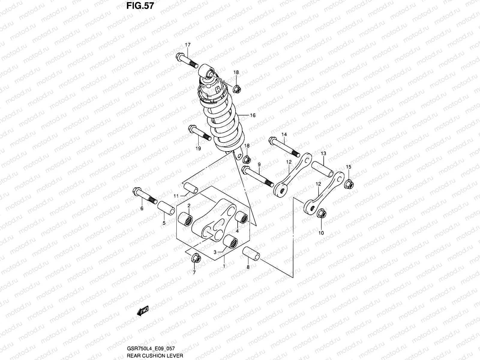
57 - REAR CUSHION LEVER

57 - REAR CUSHION LEVER
1
62600-08841
Lever,rr Cushion
11 222 ₽
2
09263-20116
Bearing
1 583 ₽
3
09263-20116
Bearing
1 583 ₽
4
09263-17046
Подшипник верхний
1 470 ₽
5
62317-44B00
SPACER,RR CUSHION LEVER FR
952 ₽
6
62668-42A02
BOLT,CUSHION LEVER
551 ₽
7
09159-12056
Гайка
565 ₽
8
62317-44B00
SPACER,RR CUSHION LEVER FR
952 ₽
9
62658-37F10
BOLT,RR CUSHION LEVER UPR
547 ₽
10
09159-12056
Гайка
565 ₽
11
62317-47H00
SPACER,RR SHOCK ABS LWR
918 ₽
12
62640-08J00
ROD,RR CUSHION
3 793 ₽
13
62646-08J00
SPACER,RR CUSHION ROD
1 150 ₽
14
62658-37F10
BOLT,RR CUSHION LEVER UPR
547 ₽
15
09159-12056
Гайка
565 ₽
16
62100-08J01-17U
Absorber Assy,rr Shock(Gray)
53 482 ₽
17
09103-10213
BOLT(10X52)
2 820 ₽
18
09159-10115
Гайка
289 ₽
19
09103-10428
BOLT(10X58)
485 ₽

Узлы для