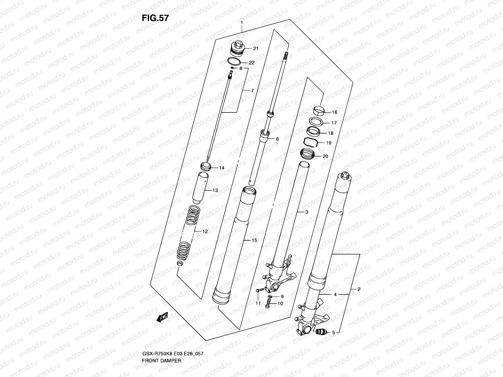
57 - FRONT DAMPER

57 - FRONT DAMPER
1
51103-38H00
Перо вилки в сборе, правое
180 923 ₽
2
51104-38H00
Перо вилки в сборе, левое
180 923 ₽
3
51110-38H00
TUBE,INNER,R
62 458 ₽
4
51120-38H00
TUBE,INNER,L
62 458 ₽
5
51830-38H00
PIECE,ADJUST
4 888 ₽
6
52110-38H00
DAMPER,FR
60 214 ₽
7
51821-01H00
Толкатель
3 226 ₽
8
09280-03002
Прокладка масляного насоса
1 130 ₽
9
51161-38H00
PACKING
395 ₽
10
51147-38H00
Болт
2 659 ₽
11
51166-01H10
Болт оси
306 ₽
12
51171-38H00
Пружина
9 971 ₽
13
51176-01H10
Прокладка
974 ₽
14
51175-22D00
GUIDE,SPRING UPR
1 479 ₽
15
51131-38H00
Труба внешняя
54 604 ₽
16
51152-01H10
Направляющая втулка
727 ₽
17
51168-01H00
SPACER,SEAL
528 ₽
18
51153-01H10
Сальник
1 739 ₽
19
51556-38B00
Кольцо
243 ₽
20
51173-01H00
Уплотнение
662 ₽
21
51189-01H00
BOLT,FORK
10 713 ₽
22
51187-01H00
O RING,FORK BOLT
289 ₽

Узлы для