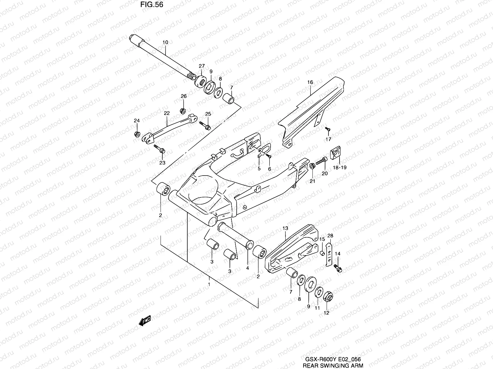
56 - REAR SWINGING ARM

56 - REAR SWINGING ARM
1
61000-34E00
Swingingarm ass
2
09263-30040
Подшипник (30x40x25)
2 180 ₽/шт
3
09263-17058
Bearing
1 098 ₽/шт
4
61281-33E20
SPACER,RR SWGARM PIVOT CTR
3 265 ₽/шт
5
61124-33E00
PLATE,RR SWING ARM BRKT
418 ₽/шт
6
02142-0616A
Болт
81 ₽/шт
7
61251-17E20
SPACER, RR PIVOT BEARING
1 197 ₽/шт
8
08211-25481
Шайба упорная
3 480 ₽/шт
9
61262-17E11
Seal,dust
692 ₽/шт
10
61211-33E00
SHAFT,RR SWINGINGARM PIVOT
12 395 ₽/шт
11
09160-25070
Шайба
242 ₽/шт
12
09159-25003
Гайка
2 665 ₽/шт
13
61273-34E02
Guard chain sliding shoe
14
09116-06152
BOLT(6X20)
146 ₽/шт
15
09180-06306
SPACER(6.5X9X5)
1 250 ₽/шт
16
61310-34E00
Корпус натяжения
3 825 ₽/шт
17
09139-06083
БОЛТ
194 ₽/шт
18
61445-33E00
ADJUSTER,CHAIN,R
3 675 ₽/шт
19
61446-33E10
ADJUSTER,CHAIN,L
3 734 ₽/шт
20
09100-08287
BOLT(8X50)
162 ₽/шт
21
08316-1008B
Гайка
81 ₽/шт
22
64310-33E00
TORQUELINK,RR
7 312 ₽/шт
23
09111-08058
Bolt, front (8x44)
23
09111-08083
BOLT(8X44)
3 790 ₽/шт
24
08319-31087
Гайка
178 ₽/шт
25
09103-10019
BOLT(10X37)
1 520 ₽/шт
26
08319-31107
Гайка
210 ₽/шт
27
61214-40C31
NUT,RR SWGARM PIVOT BOLT
2 972 ₽/шт

Узлы для