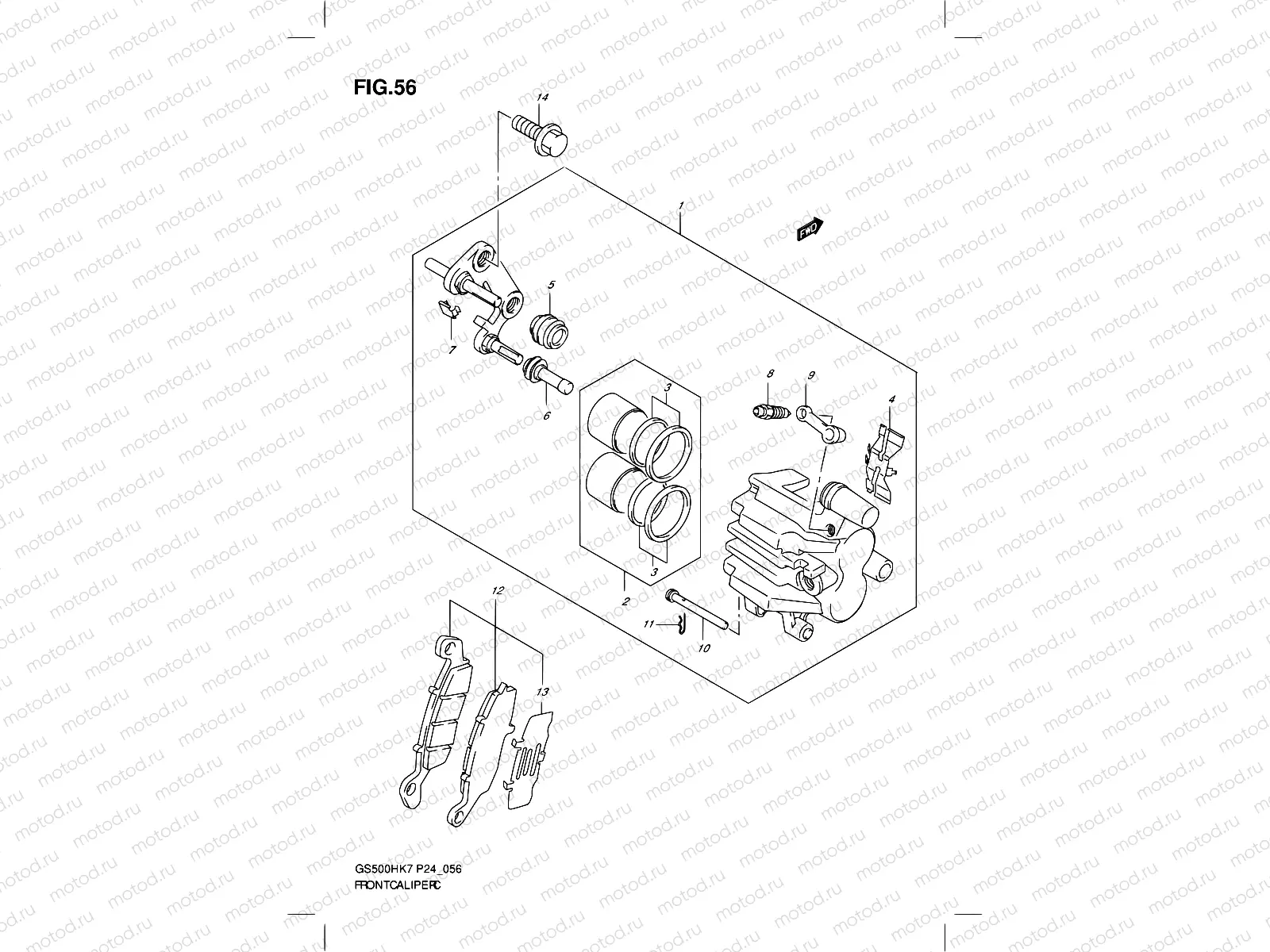
56 - FRONT CALIPER

56 - FRONT CALIPER
1
59100-33D81-999
CALIPER ASSY,FR,R
39 100 ₽
2
59300-0BE00
Piston set
5 118 ₽
3
59300-0BE10
Уплотнители поршня
706 ₽
4
59115-0BE00
Spring
Цена по
запросу
5
59112-0BE00
oot
Цена по
запросу
6
59313-0BE00
Изолятор
837 ₽
7
59116-0BE00
Guide
Цена по
запросу
8
59121-01A00
BLEEDER
1 226 ₽
9
59122-01A00
CAP,BLEEDER
187 ₽
10
59141-0BE00
Pin
Цена по
запросу
11
69142-0BE00
Clip
260 ₽
12
59102-33890
КОЛОДКИ ТОРМОЗНЫЕ(МОТО)
9 940 ₽
13
59171-33D00
Шимма
774 ₽
14
01550-1025B
Болт
2 030 ₽

Узлы для