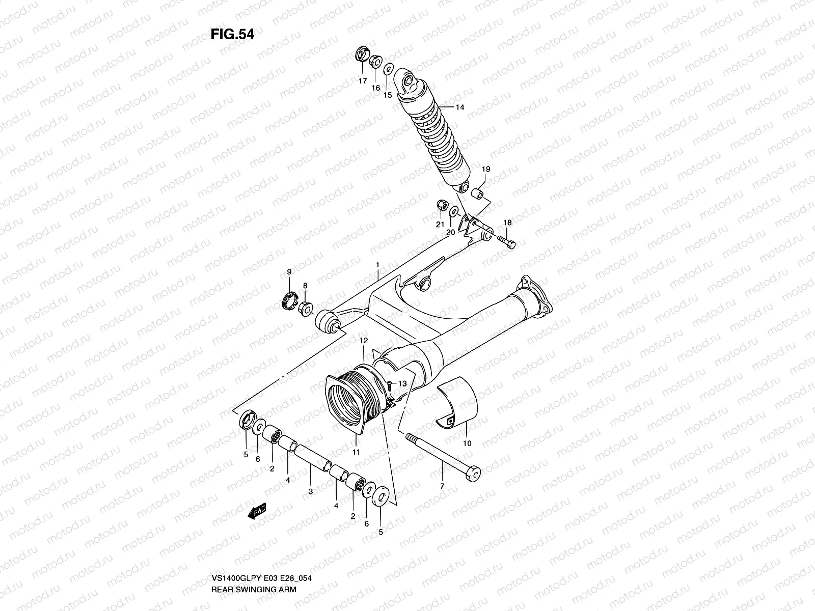
54 - REAR SWINGING ARM (MODEL T/V/W/X/Y)

54 - REAR SWINGING ARM (MODEL T/V/W/X/Y)
1
61100-38B01-Y0N
SWINGINGARM COMP,REAR
Цена по
запросу
1
61100-38B01-20F
Swingingarm,rr
Цена по
запросу
2
09263-22017
BEARING(22X29X30)
1 308 ₽
3
61282-38B00
SPACER,RR SWGARM PIVOT CTR
1 118 ₽
4
61251-38B00
SPACER,RR SWGARM PIVOT
1 785 ₽
5
61262-14A01
Seal
1 122 ₽
6
08211-16341
WASHER
162 ₽
7
61211-38B00
SHAFT,RR SWINGINGARM PIVOT
4 340 ₽
8
08319-3114A
Гайка
646 ₽
9
61222-38A01
CAP,RR SWINGING ARM PIVOT,R
824 ₽
10
61230-38B00-Y0N
COVER COMP,RR SWGARM PIVOT,L
Цена по
запросу
10
61230-38B00-20F
Cover,rr swgarm
Цена по
запросу
11
61372-38B01
oot,propeller Shaft
1 846 ₽
12
09402-92306-XC0
LAMP
258 ₽
13
03211-0425B
Болт
82 ₽
14
62100-38B10
ABSORBER ASSY,RR SHOCK
43 010 ₽
15
09160-10123
Шайба
1 250 ₽
16
08316-1010B
Гайка
85 ₽
17
95672-24A00
CAP,FRAME HANDLE GRIP
275 ₽
18
09100-10247
BOLT(10X39)
2 310 ₽
19
09180-10139
SPACER(10.2X14X20.7)
3 010 ₽
20
09160-10093
Шайба
144 ₽
21
08313-10107
Гайка
1 520 ₽

Узлы для