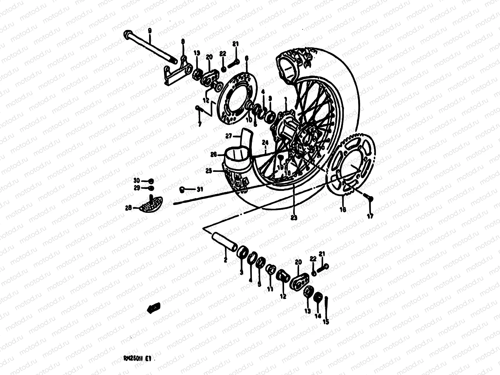
53 - REAR WHEEL (MODEL H)

53 - REAR WHEEL (MODEL H)
1
64110-27C01
TROMMEL,ACHTER
Цена по
запросу
2
64732-00B22
Spacer,bearing
Цена по
запросу
3
08123-6204B
earing,rear Wheel Hub
1 308 ₽
4
08331-41479
CIRCLIP
272 ₽
5
09283-26019
SEAL,OIL(26X47X5)
694 ₽
6
69211-00B20
Disc,rear brake
Цена по
запросу
7
02122-0616B
Болт
85 ₽
8
69721-00B20
racket,caliper
Цена по
запросу
9
64711-00B20
Axle,rear
Цена по
запросу
10
64741-00B21
Spacer,rr axle
Цена по
запросу
11
64751-00B20
Spacer,lh
Цена по
запросу
12
64781-00B20
Spacer,chain adjuster
Цена по
запросу
13
09140-27001
Nut
Цена по
запросу
14
08314-40187
Гайка
3 480 ₽
15
04111-4030A
Шпонка
85 ₽
16
64511-36E00
SPROCKET,RR(NT:50)
13 450 ₽
16
64511-40261
SPROCKET,RR(NT:51 AL)
17 281 ₽
16
64511-28E00
SPROCKET,RR(NT:49)
13 490 ₽
16
64511-28E00
SPROCKET,RR(NT:49)
13 490 ₽
16
64511-00B12
SPROCKET,RR(NT:50)
11 730 ₽
16
64511-00B21
SPROCKET,RR(NT:51)
10 049 ₽
17
09120-08004
Болт
162 ₽
18
09164-08011
WASHER
2 030 ₽
19
08319-31087
Гайка
178 ₽
20
61410-00B20
Adjuster,chain
Цена по
запросу
21
09104-08027
BOLT(8X43)
1 720 ₽
22
08310-00087
Гайка 8MM
81 ₽
23
65311-28C01
Rim,rear wheel
Цена по
запросу
24
65320-00B20
SPAAKSET,ACHTER
Цена по
запросу
25
65100-00B00
Tire,rear (110/100-18)
Цена по
запросу
26
65200-40430
Tube,wheel inner
Цена по
запросу
27
55261-26F10
PROTECTOR,INNER TUBE
486 ₽
28
65270-28E00
STOPPER,BEAD(2.15)
3 324 ₽
29
08322-01087
Шайба
81 ₽
30
08310-00087
Гайка 8MM
81 ₽
31
09250-08013
CAP(OD:12)
1 410 ₽

Узлы для