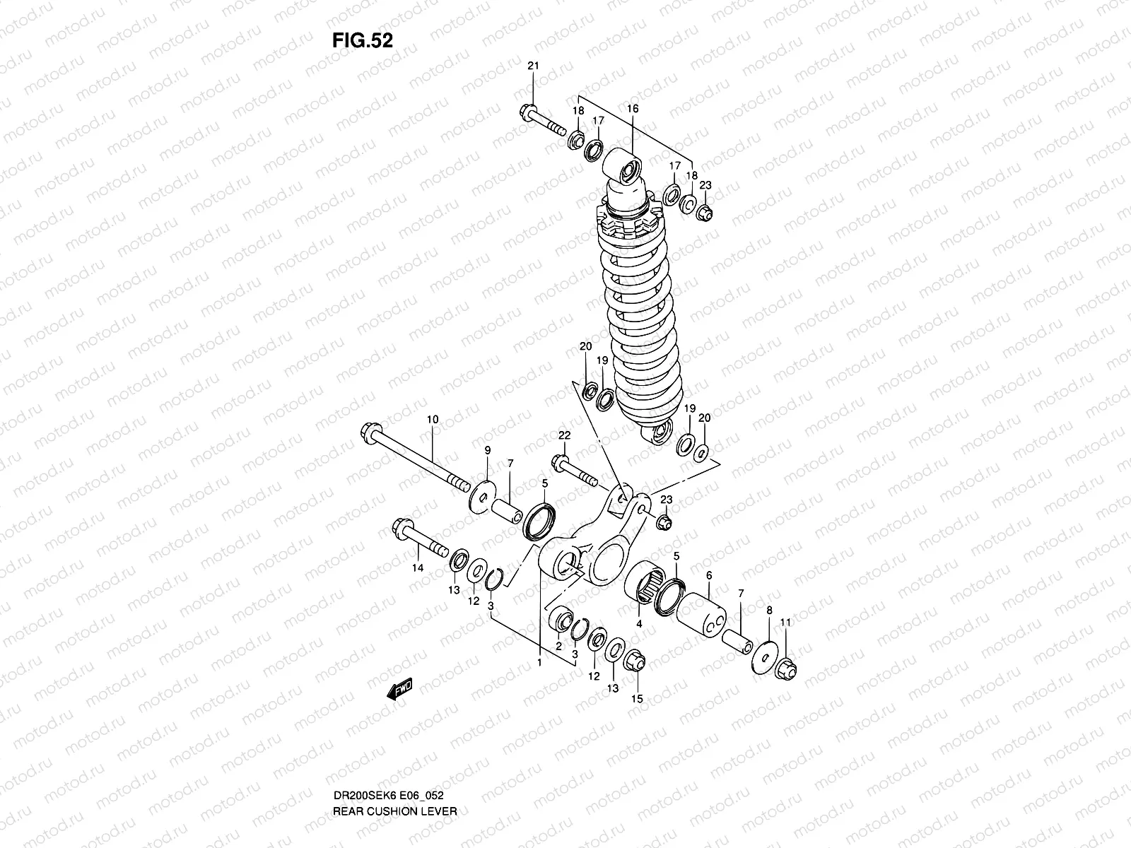
52 - REAR CUSHION LEVER

52 - REAR CUSHION LEVER
1
62600-42812
LEVER SET,RR CUSHION
18 190 ₽
2
09269-12006
BEARING(12X26X16)
4 418 ₽
3
62277-27C20
RING,BEARING STOPPER
203 ₽
4
09263-37003
BEARING(37X47X20)
2 972 ₽
5
62624-42A00
Уплотнение
503 ₽
6
62623-42A11
SPACER,RR SUSPENSION ECCENTRIC
5 122 ₽
7
62646-42A11
SPACER,CUSHION LEVER SHAFT
1 024 ₽
8
62628-42AA0
Шайба
422 ₽
9
62625-42AA0
WASHER,RR CUSH LVR CTR,R
422 ₽
10
62621-42AA0
SHAFT,RR CUSHION LEVER CTR
824 ₽
11
08319-2112A
Гайка
211 ₽
12
62647-05A00
SEAL,RR CUSHION ROD DUST
204 ₽
13
62316-05A01
SPACER,RR CUSHION ROD
618 ₽
14
62668-42A02
BOLT,CUSHION LEVER
551 ₽
15
08319-3112A
Гайка
211 ₽
16
62100-44AB2-28W
bsorber assy, rear shock (white)
Цена по
запросу
17
62226-20900
DUST SEAL
272 ₽
18
62684-20900
Кольцо/шайба
618 ₽
19
62226-02B00
Уплотнение
459 ₽
20
62684-31300
Втулка
618 ₽
21
09103-10428
BOLT(10X58)
485 ₽
22
09103-10126
BOLT(10X48)
226 ₽
23
09159-10115
Гайка
289 ₽

Узлы для