51B - HYDRAULIC UNIT(SFV650AK9/UAK9/AL0/UAL0)

51B - HYDRAULIC UNIT(SFV650AK9/UAK9/AL0/UAL0)
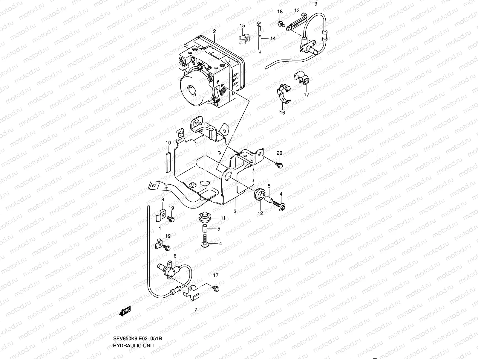
1
34938-14F00
GUIDE,SENSOR LEAD
313 ₽
2
55610-44H01
UNIT ASSY,HYDRAULIC ABS
135 966 ₽
3
55660-44H00
OLDER,HYDRAULIC UNIT ABS
5 396 ₽
4
55661-10G00
BOLT,HYDR UNIT MTG
352 ₽
5
55662-10G00
Кольцо/шайба
352 ₽
6
55710-44H00
SENSOR,FR WHEEL ABS
16 266 ₽
7
55731-44H00
CLAMP,SENSOR LEAD FR NO.1
716 ₽
8
55733-44H00
CLAMP,SENSOR LEAD FR NO.3
407 ₽
9
65710-44H00
SENSOR,RR WHEEL ABS
15 640 ₽
10
94415-40F00
TAPE,ABS UNIT HOLDER
231 ₽
11
09320-10065
Rubber
Цена по
запросу
12
09320-10066
RUBBER
3 010 ₽
13
09404-06039
Clamp(L:65)
194 ₽
14
09407-14407
ЗАЖИМ
221 ₽
15
09408-00101
CLIP
1 880 ₽
16
09408-00259
CLAMP
1 640 ₽
17
09408-00266
CLAMP
194 ₽
18
01547-0612A
БОЛТ
81 ₽
19
01547-0612A
БОЛТ
81 ₽
20
01550-0612A
БОЛТ КУЗОВНОЙ, МЕТАЛЛ
81 ₽

Узлы для