51 - LEFT HANDLE LEVER

51 - LEFT HANDLE LEVER
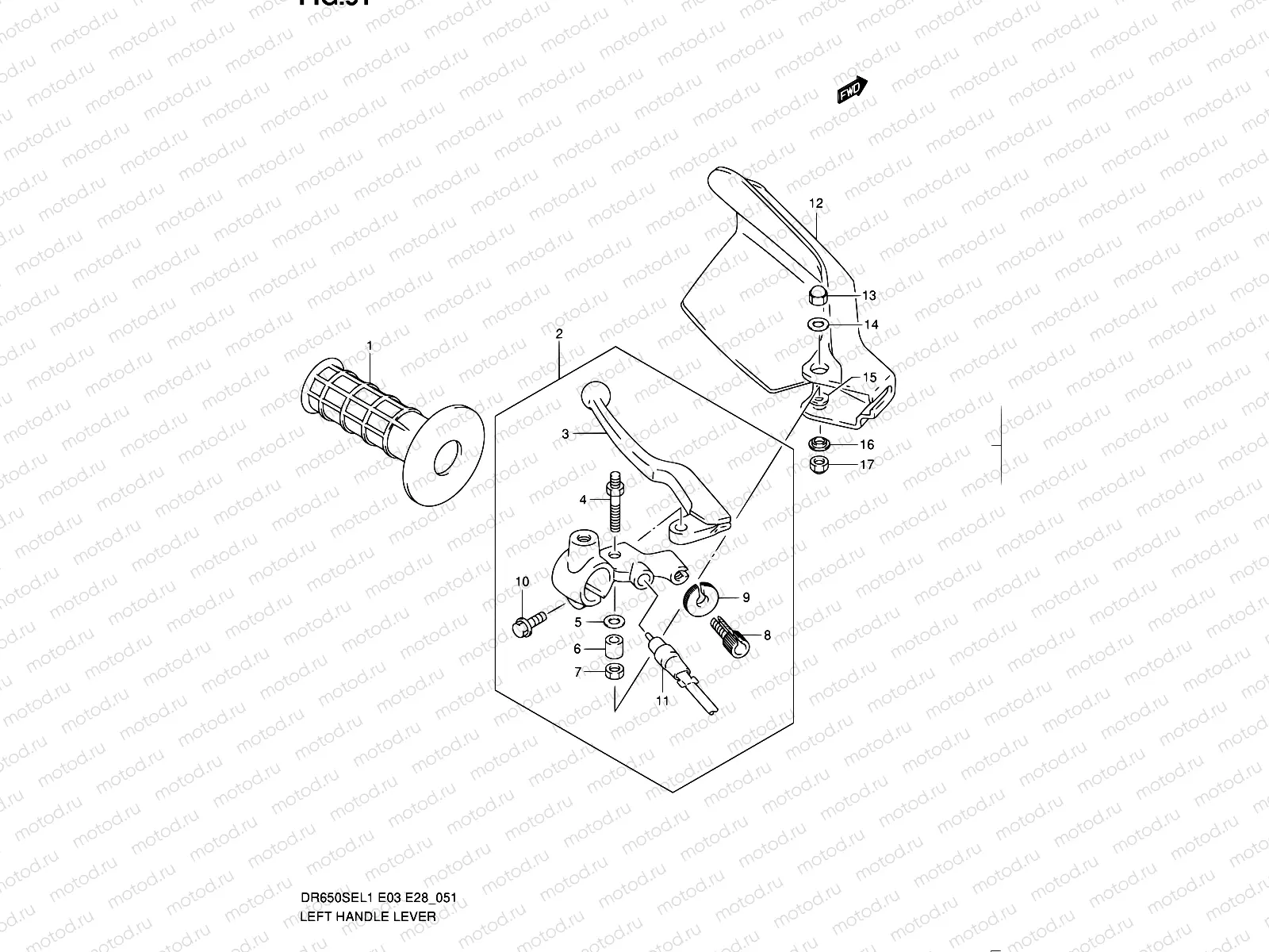
1
57211-12D00
НАКЛАДКА РУЧКИ, ЛЕВАЯ
1 088 ₽/шт
2
57500-12E30
Lever assy, clutch
3
57421-12E30
Рукоятка муфты
4 675 ₽/шт
4
57531-12E30
BOLT,PIVOT
1 709 ₽/шт
5
57533-12E30
Шайба
516 ₽/шт
6
57532-12E30
Кольцо/шайба
1 134 ₽/шт
7
08319-2106B
Гайка
119 ₽/шт
8
57441-45C01
Adjuster,wire
731 ₽/шт
9
57442-45C01
Nut,lock
708 ₽/шт
10
01547-0620B
БОЛТ
81 ₽/шт
11
57560-13E02
SWITCH ASSY,CLUTCH
1 329 ₽/шт
12
57541-31D20-019
COVER,KNUCKLE,L
1 615 ₽/шт
12
57541-31D20-30H
COVER,KNUCKLE,L
1 530 ₽/шт
13
08313-1006B
Гайка
82 ₽/шт
14
09160-06154
Шайба
980 ₽/шт
15
09160-06019
Шайба
81 ₽/шт
16
09169-06055
Шайба
97 ₽/шт
17
08319-2106A
Гайка
114 ₽/шт

Узлы для