51 - FRONT FORK DAMPER (AN400K7/K8/K9/L0)

51 - FRONT FORK DAMPER (AN400K7/K8/K9/L0)
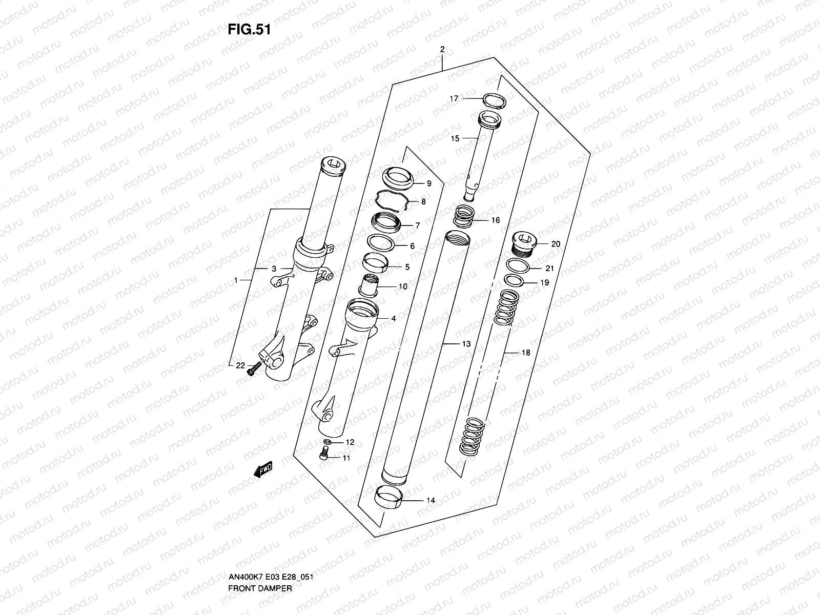
1
51103-05H00
Перо вилки в сборе, правое
71 808 ₽
2
51104-05H00
Перо вилки в сборе, левое
71 808 ₽
3
51130-05H00
Tube,outer,r
Цена по
запросу
4
51140-05H00
Tube,outer,l
Цена по
запросу
5
51167-26E10
Металическая вставка
765 ₽
6
51158-05A00
Шайба
299 ₽
7
51153-10G50
Сальник
891 ₽
8
51156-49440
RING,OIL SEAL STOPPER
204 ₽
9
51173-14F00
Уплотнение
921 ₽
10
51195-33D10
PIECE,OIL LOCK
1 197 ₽
11
51147-05H00
Болт
274 ₽
12
51148-41310
GASKET
170 ₽
13
51110-05H00
TUBE,INNER
21 310 ₽
14
51121-33D10
Направляющая втулка
799 ₽
15
51146-05H00
Цилиндр
4 888 ₽
16
51177-14F70
Пружина
653 ₽
17
51196-14F51
Кольцо поршневое
422 ₽
18
51171-05H00
Пружина
3 754 ₽
19
51356-27C00
Шайба
352 ₽
20
51351-14F20
Крышка
3 060 ₽
21
09280-32001
O RING(D:3.5,ID:31.7)
275 ₽
22
51328-05H00
Болт
285 ₽

Узлы для