51 - FRAME

51 - FRAME
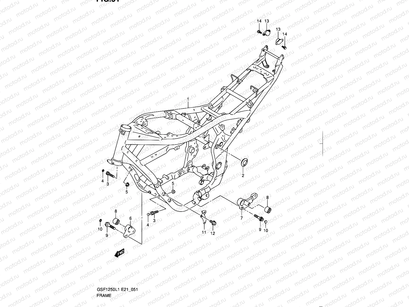
1
41100-18H20-YAP
FRAME(BLACK)
259 140 ₽
2
43585-38G01
CAP,FRAME PIVOT
714 ₽
3
09106-10068
BOLT(10X37)
204 ₽
4
09250-08012
Крышка
1 060 ₽
5
08319-3110B
Гайка
1 920 ₽
6
41931-18H00
BRACKET,ENGINE MOUNTING NO.2,R
11 261 ₽
7
41941-18H00
BRACKET,ENGINE MOUNTING NO.2,L
10 322 ₽
8
41932-27E50
BUSH,ENG MOUNTING NO.2
1 290 ₽
9
09106-08065
BOLT(8X28)
1 990 ₽
10
09250-06016
Cap,muf Sprt Bolt
102 ₽
11
41942-18H00-YAP
Кронштейн
3 402 ₽
12
01550-0820A
БОЛТ
102 ₽
13
42550-49G00
DAMPER,FRAME
3 812 ₽
14
01550-0612B
БОЛТ
81 ₽

Узлы для